Analog Devices Inc. MAXM17712/20/24 PMIC
Analog Devices Inc. MAXM17712/20/24パワーマネジメント専用IC (PMIC) は、Himalaya microシステムレベルIC (µSLIC)パワーモジュールで、さらに低温で小型のシンプルな電源ソリューションを実現できます。これらの IC は、 高効率 150mA 同期降圧 DC/DC コンバータと、高 PSRR、低ノイズ、50mAリニア・レギュレータを、 µSLIC™ パワー・モジュールに統合しています。PMICは、4V ~ 60Vの広い入力電圧範囲で動作します。降圧型コンバータとリニアレギュレータは、最大150mAおよび50mAの出力電流を供給できます。DC-DCコンバータの出力は、リニアレギュレータへの入力として機能します。これらのリニアレギュレータには、異なるモジュールで1.2V ~ 3.3Vの間の固定出力電圧が備わっています。MAXM17712/20/24モジュールは、薄型の2.6mmx3mmx1.5mm μSLIC パッケージで提供されます。代表的なアプリケーションには、工業センサ、HVACとビル制御、バッテリ駆動機器、LDO交換があります。
特徴
- 使用が簡単:
- ワイド4V~60V入力降圧型コンバータ
- 調節/固定式の出力電圧モジュール
- 内部インダクタと補償
- 降圧型コンバータから最大150mAの出力電流
- リニアレギュレータ出力の精度は±1.3%、降圧型コンバータの精度は±2%
- オールセラミックコンデンサ、小型レイアウト
- 内蔵50mA高PSRRリニア電圧レギュレータ
- 高効率:
- PWMまたはPFMモード動作を選択可
- PFMによって軽負荷効率の向上を実現
- 2.5µAシャットダウン電流
- 70µAの負荷なし供給電流
- 堅牢:
- CISPR22 (EN55022) Class B伝導および放射放出に準拠
- JESD22-B103/B104/B111落下、衝撃、振動規格に合格
- 柔軟性に富んだ設計:
- 絶縁ソフトスタートとプリバイアス起動
- 350kHz~2.2MHzの範囲で調整可能なスイッチング周波数
- オープンドレイン・パワーグッド出力(RESETピン)
- プログラマブルEN/UVLO閾値
- 堅牢な動作:
- ヒカップ過電流保護
- 温度過昇保護
- -40°C~+125°C周囲動作温度範囲
- ジャンクション温度範囲:-40°C~++150°C
アプリケーション
- 産業用センサ
- プログラマブルロジックコントローラ
- バッテリ駆動機器
- HVACおよびビル制御
- LDO代替品
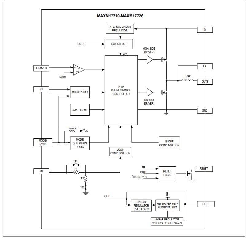
ブロック図
ビデオ
公開: 2020-01-28
| 更新済み: 2024-04-18
