Apogee Semiconductor AP54RHC506 Rad-Hard 5-Channel Bus Transceivers

Apogee Semiconductor AP54RHC506 Rad-Hard 5-Channel Bus Transceivers with cold sparing are intended for applications demanding radiation tolerance, such as space and medical imaging. The AP54RHC506 is created in a 180nm CMOS process utilizing proprietary radiation-hardening techniques. These transceivers deliver high resiliency to single-event effects (SEE) and to a total ionizing dose (TID) up to 30krad (Si). The AP54RHC506 transceivers feature a triple-redundant design throughout its entire circuitry, which allows it to be immune to single-event transients (SET) without requiring additional redundant devices.

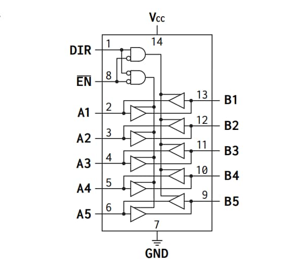
The AP54RHC506 rad-hard 5-channel bus transceivers belong to the AP54RHC logic family and operate over a 1.65VDC to 5.5VDC range. The output enables the control pin, allowing all buffers to be placed in a high impedance (high-Z) state. A direction control pin determines whether data flow is A→B or B→A.

The AP54RHC506 transceivers support zero-power penalty™ cold-sparing along with Class 2 ESD protection on all inputs and outputs. A proprietary output stage and full power-on reset (POR) circuit allow the AP54RHC506 to be cold-spared in any redundant configuration with no static power loss on any device pad.

Rad-Hard Overview

Apogee Semiconductor creates Radiation Hardened (Rad-Hard) semiconductor devices for Rad-Hard and extreme Single Event Effects (SEE, SET, SEU, SEL) fields from Space (QML-V, QML-S) to MEO, LaGrange, LEO, Atmospheric to Downhole applications. These devices are also compatible with all aerospace, defense, military, and naval applications, having a full Mil-Temp range of -55°C to +125°C. Apogee is a turnkey mixed-signal ASIC (MS-ASIC) capable firm with secure capabilities, and all Apogee products can be produced with ITAR and CONUS flows.

Features

  • 1.65VDC to 5.5VDC operation
  • Inputs tolerant up to 5.5VDC at any VCC
  • Provides logic-level down translation to VCC
  • Extended operating temperature range (-55°C to 125°C)
  • Proprietary cold-sparing capability with zero static power penalty
  • Built-in triple redundancy for enhanced reliability
  • Internal power-on reset (POR) circuitry ensures reliable power-up and power-down responses during hot plug and cold-sparing operations
  • Tri-state output drivers
  • Class 2 ESD protection (4000V HBM and 500V CDM)
  • TID resilience of 30krad (Si)
  • SEL resilient up to LET of 80MeV-cm2/mg

Applications

  • Space
  • Medical imaging

LOGIC DIAGRAM

Location Circuit - Apogee Semiconductor AP54RHC506 Rad-Hard 5-Channel Bus Transceivers

Cold sparing example

Block Diagram - Apogee Semiconductor AP54RHC506 Rad-Hard 5-Channel Bus Transceivers
公開: 2021-08-17 | 更新済み: 2024-10-24