Bosch BMA530 シャトルボード 3.0
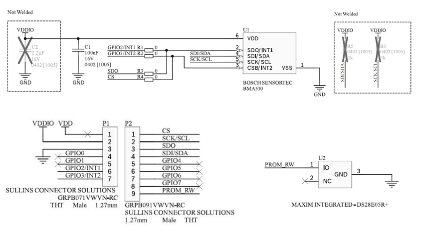
Bosch BMA530シャトルボード3.0は、BMA530加速度センサがあらかじめ取り付けられたプリント基板(PCB)です。アプリケーションボード3.0/3.1との組み合わせによって、シャトルボードは、BMA530センサに搭載されているさまざまな機能を評価します。BMA530シャトルボード3.0を使用すると、簡易ソケットを使用してセンサピンに簡単にアクセスできます。また、Bosch Sensortecアプリケーションボード3.0/3.1に直接差し込むことができます。
特徴
- あらかじめ取り付けられているBMA530加速センサ
- BMA530のさまざまな機能を評価
- シンプルなソケットを使用してセンサ・ピンに簡単にアクセス
- Bosch Sensortecアプリケーションボード3.0/3.1に直接差し込む
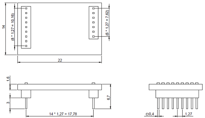
- 寸法:22mm x 14mm x 1.6mm
アプリケーション
- ウェアラブルおよびアクティビティ追跡デバイス
- 玩具とガジェット
- ラップトップ
オンボード部品
小型1.2mm x 0.8mm x 0.55mmパッケージに格納されており、コンパクトなデバイスに最適です。
関連開発ツール
さまざまなセンサの評価を目的とした汎用性が高くセンサから独立した開発プラットフォームです。
公開: 2024-05-14
| 更新済み: 2024-05-17