Bosch BME690 シャトルボード 3,0
Bosch BME690 シャトルボード 3.0は、BME690空気品質 (ガス、圧力、温度、湿度) センサを内蔵したプリント回路基板 (PCB) です。このシャトルボードは、Boschアプリケーションボード3.xと連結し、センサ自体の信号出力あるいはBSECライブラリがセンサに対して生成する追加出力の評価に使用します。 シャトルボードにシンプルなソケットを追加するだけで、センサピンに容易にアクセスできます。加えて、シャトルボードをアプリケーションボード3.xに直接接続できます。通常、Bosch BME690シャトルボード3.0は、温度、湿度、圧力、空気質指数 (IAQ) の検証に使用します。特徴
- BME690空気品質センサ内蔵のPCB
- センサからの信号出力、および BSECライブラリ(ソフトウェアをダウンロード) から生成される追加出力を評価
- シンプルなソケットを使用してセンサピンに簡単にアクセス
- アプリケーションボード3.xに直接接続
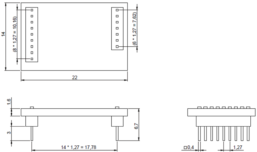
- サイズ: 22mm x 20mm x 1.7mm
アプリケーション
- スマートホーム
- ウェアラブル
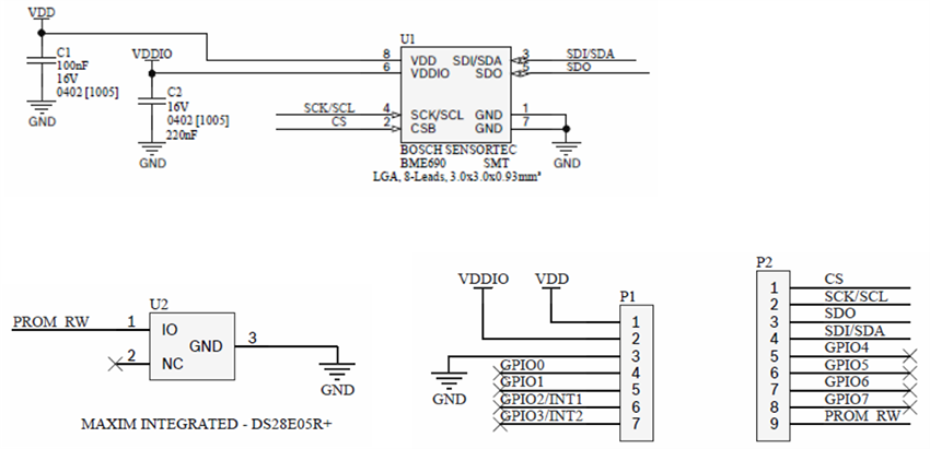
電気レイアウト
寸法: mm
公開: 2025-01-02
| 更新済み: 2025-07-16
