Bourns SM51384EL Isolation Power Transformer
Bourns SM51384EL Power Transformer is a high isolation voltage switch mode power transformer designed for the EXAR SP3232E RS-232 transceiver IC for meter reader, smart grid and other communication applications. Bourns SM51384L High Voltage Isolation Power Transformer features shielded construction, low radiation, 4KVrms isolation, 1:3 CT turns ratio, 3.3V input/5V output, and -40°C to +95°C operating temperature.Features
- Shielded construction
- Low radiation
- 3V input/5V output
- -40°C to +95°C operating temperature range
Applications
- EXAR SP3232E RS-232 transceiver IC
- Meter reader
- Smart grid
- Power supplies
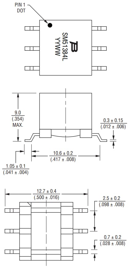
Product Dimensions
公開: 2012-12-04
| 更新済み: 2022-03-11
