Bourns 3312 Trimpot®トリミングポテンショメータ

Bourns 3312 Trimpot® トリミングポテンショメータは、2mm密閉シングルターン・トリミング・ポテンショメータです。これらのポテンショメータは、10Ω ~ 2MΩ標準抵抗範囲、±20%標準抵抗値許容差、25回転サイクル、100ppm/°C温度係数、柔軟性のためのミニチュア設計が特徴です。3312トリミングポテンショメータはRoHSに準拠しており、表面実装製造工程との互換性があります。これらのポテンショメータは、補聴器、レーザーダイオード、バーコードスキャナ、エンコーダ、CCTV、超音波検出器に使用されます。

特徴

  • 表面実装2mm密閉シングルターン
  • 柔軟性のためのミニチュア設計
  • 0Ω ~ 2MΩ標準抵抗範囲
  • ±20%標準抵抗許容差
  • 25回の回転サイクル
  • 100ppm/°C 温度係数
  • 電力定格(50V最高電圧):
    • 70°Cで0.1W
    • 0W @ 125°C
  • 調整可能性:
    • 分圧器用±0.4%
    • レオスタット用±0.8%
  • 動作温度範囲:-55°C~125°C

アプリケーション

  • 補聴器
  • バーコードスキャナ
  • CCTV
  • センサ(距離と変位)
  • レーザーダイオード
  • 近接スイッチ(誘導、超音波、磁気)
  • エンコーダ(光学、絶対、回転、光電)
  • 超音波検出器

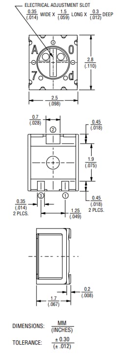
製品寸法

機械図面 - Bourns 3312 Trimpot®トリミングポテンショメータ
公開: 2024-04-29 | 更新済み: 2024-05-31