Bourns HCT AEC-Q200準拠パワートランス
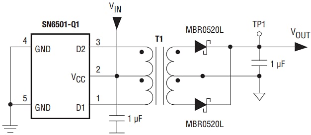
Bourns HCT AEC-Q200準拠の電源トランスは、高いクリアランスと沿面距離トランスで、高い結合係数と効率性を目的にフェライトトロイドコアを用いて構築されています。強化絶縁を採用、最小クリアランス/沿面距離は8mm、耐電圧は5kV、高電圧の危険要因に対し高いレベルの絶縁を実現しています。Bourns HCT AEC-Q200準拠の電源トランスは、Texas Instruments SN6501およびSN6505Bトランスドライバを使用した絶縁電源用に設計されています。このシリーズは、IEC 60950-1、IEC 62368-1、IEC 60664-1、車載用AEC-Q200規格に準拠しています。特徴
- AEC-Q200準拠
- 高結合と低放射線のためのトロイドコア
- 800Vの作動電圧に対する強化された絶縁
- IEC 60950-1、IEC 62368-1、IEC 60664-1に準拠
- TI SN6501およびSN6505Bを使用した絶縁電源用に設計済
- RoHS準拠
アプリケーション
- 車載バッテリマネジメントシステム(BMS)
- 車載用ゲートドライバ
- RS485
- CANインターフェイス
- デジタル入力モジュール
- RS323絶縁
仕様
- 入力電圧3.3V~5V
- 定格電圧 3.3V~15V
- 350mA AC定格電流
- 100kHzで250µH~350µH最小一次インダクタンス
- 100kHzで0.6µH~1.8µH漏れインダクタンス
- 動作温度範囲 : -40°C~+125°C
アプリケーション回路
ブロック図
公開: 2020-01-21
| 更新済み: 2026-02-23
