Bourns PAC18R 18mm低背絶対エンコーダ
Bourns PAC18R 18mm低背絶対エンコーダは、1mA @ 10VDC接触抵抗、10MΩ @ 500VDC絶縁抵抗、IP64定格になっています。PAC18Rエンコーダは、強化されたIPレベルおよび優れた高クラスの回転感のための絶縁プラスチック・シャフト・シーリングが特徴です。これらのエンコーダは低背で、最大30,000回転サイクルまでの定格があります。Bourns PAC18R 18mm低背絶対エンコーダは、業務用オーディオ機器、通信機器、工業オートメーション制御をはじめとするシールドメニュー選択絶対エンコーダが必要になるアプリケーションを対象に設計されています。特徴
- 低背絶対エンコーダ
- 30,000回転サイクル定格
- -35°C~+70°C動作温度範囲
- 高クラスの回転感
- IP64シャフトシーリング
- 絶縁プラスチック製シャフトおよびブッシング
- オプションの触覚戻り止め帰還
- RoHS準拠
アプリケーション
- 業務用オーディオ機器
- 業務用照明コンソール
- 民生用白物家電
- 低/中リスク医療・診断機器
- 試験機器および測定機器
- コミュニケーション装置
- 研究室用の装置
- 産業オートメーション制御
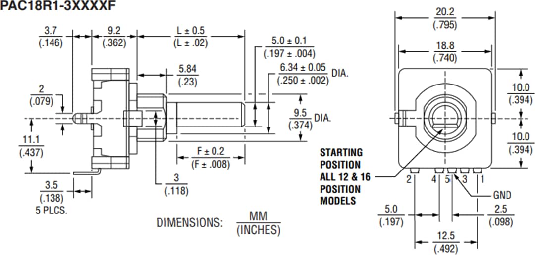
寸法(PAC18R1-3XXXXF)
寸法(PAC18R1-4XXXXF)
公開: 2021-01-22
| 更新済み: 2022-03-11
