特徴
- コンパクトな設計
- 高信頼性
- 表面実装
- IP40定格
- RoHS準拠
アプリケーション
- マイクロヘッドフォン
- スマートウェアラブルデバイス
仕様
- 2ビット直交コード出力
- 5VDC 接点容量で10mA
- 最大スライディング・バウンス:5s
- 360°回転分解能で6パルスまたは12パルス
- 50VDC 最小絶縁抵抗で50MΩ(最小)
- 50VAC 1分間絶縁耐力海面
- ハンダ付け条件:
- 3秒で260°C(ディップハンダ付け)
- 3秒で300°C(手動ハンダ付け)
- 連続機械角度:360°
- 30,000回のサイクル回転寿命
- 重量0.1g
直交出力表
フィルタ回路
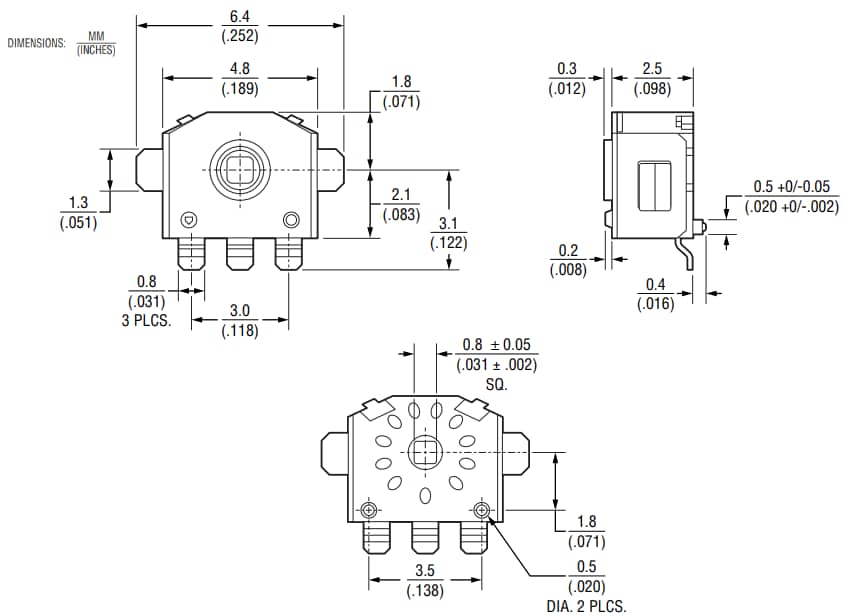
寸法図
公開: 2025-08-11
| 更新済み: 2025-09-03

