Bourns RSI Riedon™ DCアメーターシャント抵抗器
Bourns RSI Riedon™ DC アメーターシャント抵抗器は、広範な電流範囲にわたり、堅牢で正確な測定を提供します。この抵抗器は、中央に取り付けられた電圧タップにより電流計への接続が容易で、Manganin™ 抵抗素子を使用して低い抵抗値を実現しています。RSIシリーズは、限られたスペースでの大電流定格が必要なアプリケーションに最適なコンパクトな設計を採用しており、非誘導性の金属素子構造を特徴としています。Bourns RSI Riedon DCアメーターシャント抵抗器は、周波数変換器や電流センサなど、さまざまな電流測定アプリケーションに最適です。特徴
- 旧Riedon製品
- マンガニン抵抗器
- 非誘導性金属抵抗器
- 中央取り付け型電圧タップ
- 大電流定格
- 低抵抗値
- 許容差定格:0.25%
- 狭いスペースに対応したコンパクト設計
- UL認証取得、RoHS準拠
アプリケーション
- 周波数コンバータ
- 電流センシング
仕様
- 定格電流範囲 300A~1,200A
- 動作電流範囲:200A〜800A
- 定格出力定格:50mVまたは100mV
- 抵抗範囲:0.042mΩ〜0.167mΩ(50mV出力時)
- 抵抗範囲:0.083mΩ〜0.333mΩ(100mV出力時)
- TCR:15ppm〜20ppm
- 動作温度範囲:-40°C~+70°C
- 保管温度範囲:-55°C〜+80°C
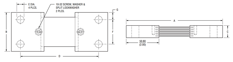
機械図面
公開: 2024-08-26
| 更新済み: 2024-08-26
