Bourns RSJ Riedon™DCアンメーターシャント抵抗器
Bourns RSJ Riedon™ DCアメーターシャント抵抗器は、広範な電流範囲にわたり、耐久性と高精度の測定を提供します。この抵抗器は、中央に取り付けられた電圧タップを備えており、アメーターへの接続を簡単にします。また、マンガニン™ 抵抗素子を使用して、低い抵抗値を実現しています。RSJシリーズは、限られたスペースでの大電流定格が必要なアプリケーションに最適なコンパクトな設計を特徴とし、非誘導性の金属素子構造を採用しています。Bourns RSJ Riedon DCアメーターシャント抵抗器は、産業用電源、無停電電源装置(UPS)システム、インバータなど、さまざまな電力アプリケーションに最適です。特徴
- 旧Riedon製品
- マンガニン抵抗器
- 非誘導性金属抵抗器
- 中央取り付け型電圧タップ
- 大電流定格
- 低抵抗値
- 許容差定格:0.25%
- 狭いスペースに対応したコンパクト設計
- UL認証取得、RoHS準拠
アプリケーション
- 産業用電源
- UPSシステム
- インバータ
仕様
- 定格電流範囲 1,500A~6,000A
- 動作電流範囲:1,000A〜4,000A
- 定格出力定格:50mVまたは100mV
- 抵抗範囲:0.0083mΩ〜0.033mΩ(50mV出力時)
- 抵抗範囲:0.016mΩ〜0.067mΩ(100mV出力時)
- TCR:15ppm〜20ppm
- 動作温度範囲:-40°C~+100°C
- 保管温度範囲:-55°C〜+125°C
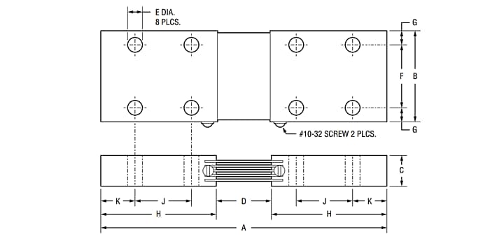
機械図面
公開: 2024-08-26
| 更新済み: 2024-08-26
