さらに、SCシリーズ・ミニチュア・リセッタブルTCOデバイスは、多湿環境に耐えるように設計されており、高耐食バイメタルメカニズムが組み込まれています。これらのデバイスには、過温度保護(OTP)、過電流保護(OVP)、広範な温度オプションがあります。これらのデバイスの主要アプリケーションは、スマートフォンの電池保護とUSB 3.1 Type Cケーブルです。
特徴
- ミニチュア熱カットオフデバイス
- 小型ボディサイズ(表面実装オプションあり)
- 過温度と過電流保護
- 定格限度まで事実上瞬時に異常な過剰電流を制御
- 広範な温度オプション
- 高耐腐食性
- 薄型・高力耐高オプションでご用意あり
- RoHS準拠
アプリケーション
- バッテリ電池保護:
- ノートブックPC
- タブレットPC
- スマートフォン
- 過温度保護:
- USB Type Cケーブル(スマートフォン・ケーブル、ノートブックACアダプタ)
- 電子タバコ
製品の構造とスキーム図
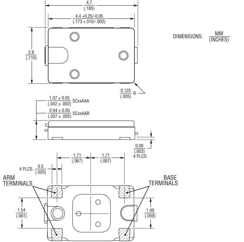
製品寸法
公開: 2019-02-13
| 更新済み: 2023-03-16

