Bourns SM353230-181N7YチップLANトランス
Bourns SM353230-181N7YチップLANトランスは、IEEE 802.3イーサネット対応、1G/2.5G/5G Base-T対応で、3.5mm x 3.2mm x 2.9mmのサイズとなっています。このトランスには、ドラムコアに巻き付けられフェライトプレートでキャップされたセンタータップ部品があり、トロイドコアの近接した磁路の結果をエミュレートします。このシリーズは、ディスクリート・トランスとコモンモードチョークを搭載しており、柔軟なPCBレイアウトが可能です。Bourns SM353230-181N7YチップLANトランスは、高速通信およびネットワーク機器に最適です。特徴
- IEEE 802.3イーサネット対応
- 1G/2.5G/5G BASE-Tとの互換性あり
- 寸法:3.5mm x 3.2mm x 2.9mm
- 柔軟なPCBレイアウトを可能にするディスクリート・トランスとコモンモードチョーク
- EMIを低減するコモンモードチョークSRF2012A-801Yペアリング
- 温度範囲: -40°C~+85°C
- RoHS準拠およびハロゲンフリー
- 高速テレコミュニケーションとネットワーク機器に最適
アプリケーション
- 高速テレコミュニケーション
- ネットワークデバイス
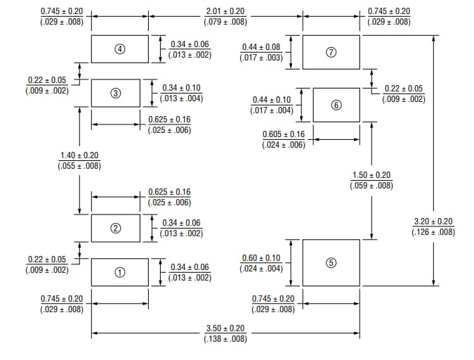
端子の寸法 - 上面図
公開: 2021-01-11
| 更新済み: 2024-03-28
