Bourns SM453230-x1N7YP GbEチップLANトランス
Bourns SM453230-x1N7YP GbEチップLANトランスは、PCBのレイアウトにおいて高レベルの柔軟性を発揮できるディスクリートトランス/コモンモードチップインダクタです。寸法4.7mm x 3.3mm x 2.9mmの小型SM453230-x1N7YPトランスは、IEEE 802.3イーサネットおよび1G/2.5G/5G Base-T(SM453230-231N7YP)または10G Base-T(SM453230-121N7YP)との互換性を実現しています。これらのデバイスは、-40°C ~ +85°Cの温度範囲内で動作し、高速テレコミュニケーションとネットワークデバイスに最適です。特徴
- IEEE 802.3イーサネット互換
- 互換性
- SM453230-121N7YP用10G Base-T
- SM453230-231N7YP用1G/2.5G/5G Base-T
- PoE+対応
- 柔軟性に富んだPCBレイアウトのためのディスクリート・トランスとコモンモードチップインダクタ
- EMI低減のためのコモンモード・チップインダクタのペアリング
- SM453230-121N7YP用SRF2012-900YA
- SRF2012A-801Y(SM453230-231N7YP用)
- 温度範囲:-40°C~+85°C
- ハロゲンフリー、RoHS準拠
仕様
- SM453230-121N7YP
- 100kHz、0.1V、0mAで120µHインダクタンス
- ±3% 巻数比
- 1MHz 500MHzで標準-2.0dBの挿入損失、最大-3.0dB
- 21pF 標準容量
- 700mA POE+
- 1,500VAC ハイポット(60s用)
- SM453230-231N7YP
- インダクタンス
- 100kHz、0.1V、0mAで230µH
- 100kHz、0.1V、15mAで200µH
- ±3% 巻数比
- 1MHz~250MHzで標準-1.5dBの挿入損失、最大-2.3dB
- 35pF 標準容量
- 700mA POE+
- 1,500VAC ハイポット(60s用)
- インダクタンス
電気回路図
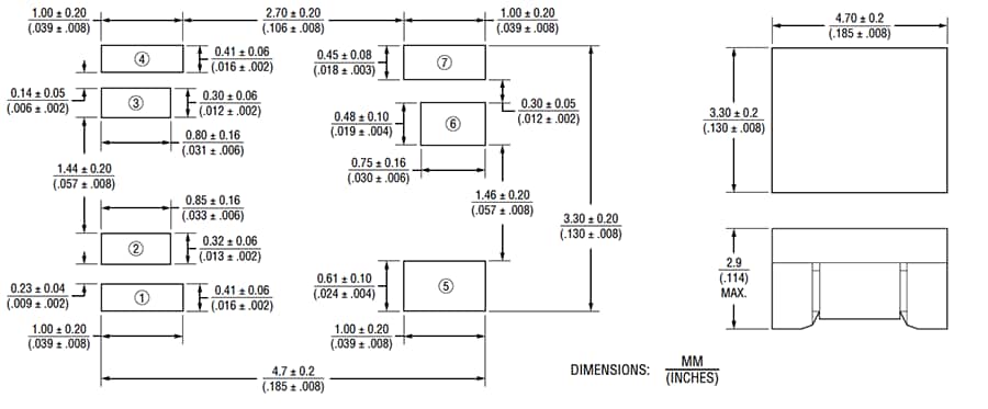
寸法
公開: 2021-12-07
| 更新済み: 2024-06-19
