Bourns SM91872AL BMSトランス
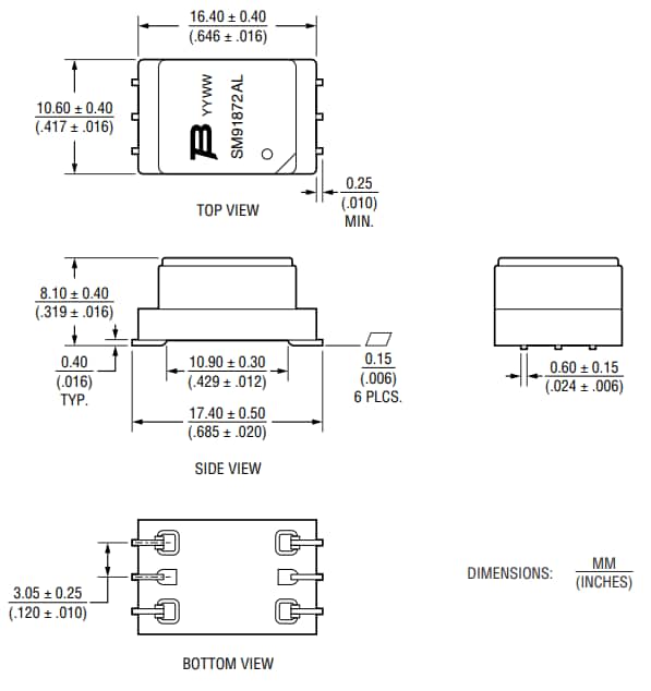
Bourns SM91872AL BMSトランスはAEC-Q200に準拠しており、最高1,000VDC までの作動電圧および最高4,000VAC までのハイポット絶縁電圧に対応します。このトランスは、シングルチャンネル強化絶縁設計が特徴で、オーバーモールドプロセスで構成されています。SM91872ALトランスのその他の仕様には、-40°C~+125°Cの拡張動作温度範囲、10mmのクリアランス距離、17.4mm x 10.6mm x 8.10mmの寸法を備えています。Bourns SM91872AL BMSトランスは、バッテリマネジメントシステムおよびエネルギー貯蔵システムに適しています。特徴
- AEC-Q200準拠
- オーバーモールドプロセスによる完全自動化
- コンパクトなサイズでの高絶縁信頼性
アプリケーション
- バッテリ管理システム
- エネルギーストレージシステム
仕様
- 最大動作電圧: 1,000VDC
- ハイポット絶縁電圧:4,000VAC
- >10mmクリアランス距離、汚染度2、材料グループCTI
- 沿面距離:>10mm、過電圧カテゴリーII
- 拡張温度範囲:-40°C〜+125°C
- 寸法:17.4mm x 10.6mm x 8.10mm
- OCL範囲:150µH~450µH
- IEC 60664-1およびIEC 62368-1に準じた一次と二次の間の強化絶縁
寸法
推奨レイアウト
公開: 2024-08-29
| 更新済み: 2024-08-29
