Bourns SSDシャント電流センサ
Bourns SSD シャント電流センサは、24ビットの絶縁型センサで、CANbusまたはRS-485/MODBUSインターフェイスを搭載しています。これらのセンサは、定格電流100A~1000A(ピーク2kA~20kA)、強化ガルバニック絶縁1500VDC、シングルビット自動誤り訂正付きECCフラッシュメモリを備えています。SSDセンサは、許容差0.1%、150°C対応16ビットのマイクロコントローラ、内部および外部のCRCデータエラー検出機能も特長です。これらのセンサには、バッテリシステム、モータドライブ、再生可能エネルギー、EV充電ステーションアプリケーションを対象とした高度非線形温度補償が搭載されています。特徴
- CANバスまたはRS-485/MODBUSインターフェイスが搭載された24ビット絶縁シャント電流センサ
- 100A ~ 1,000A定格電流(2kA ~ 20kAピーク)
- 強化ガルバニック絶縁 1500VDC
- 0.1% 公差
- 16ビット150°Cマイクロコントローラ
- バッファされたアナログ入力が備わった24ビットADC
- ECCフラッシュメモリ(自動補正シングルビットエラー搭載)
- 内部および外部CRCデータエラー検出
- 高度な非線形温度補償
アプリケーション
- バッテリシステム
- モータドライブ
- 再生可能エネルギー
- EV充電ステーション
仕様
- 公称電流±100A
- + 2kA/1kAピーク電流(クリッピングなし)
- 300μΩシャント抵抗(一次終端抵抗を除く)
- 5kHz 帯域幅
- 電流範囲全体で< ±0.1%="" +="">
- 速度 最大1100rps(0.9ms~3300ms/読み取り)
- 絶縁耐力 3500VAC RMS(1分間)
ビデオ
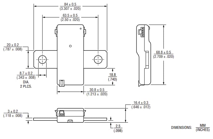
寸法
データシート
公開: 2024-06-28
| 更新済み: 2026-01-28
