Broadcom AS38-H39E-SXマルチターン絶対ハウスエンコーダ
Broadcom AS38-H39E-Sxシリーズエンコーダは、23ビットのシングルターンと16ビットのマルチターンカウントが備わった高解像度の光学絶対エンコーダで、39ビットの高解像度の組み合わせを目的としています。 AS38-H39Eシリーズエンコーダは、パターン化されたディスク、光源、機械的動作を電気信号に変換する感光素子で構成されています。 このSxxxオプションエンコーダには、SSI通信プロトコルがプリロードされており、フルデュプレックスライン送信ドライブによってサポートされています(RS-485)。 これによって、過酷な産業アプリケーションで最大1 Mbpsのさらに堅牢データ伝送を目的とした、ノイズ耐性の向上が備わっています。The Broadcom AS38-H39E series multi-turn tracking employs energy-harvesting technology by harvesting the magnetic energy as the encoder shaft rotates. It is the gearless multi-turn counting that eliminates the gear wear-out or acoustics noise issue that is encountered in conventional geared multi-turn encoders.
This technology does not require periodic maintenance of the battery backup components and its downtime. This product is intended for industrial application, and ESD protection circuitry has been added to achieve Class 3 ESD immunity per IEC -61000-4-2 standard. The AS38-H39E series is also compliant with IP50 per IEC 60529 standard.
特徴
- 39-bits resolution: 16-bits energy-harvesting multi-turn and 23-bits optical single-turn
- Built-in SSI Mode communication protocol
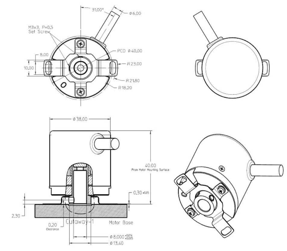
- Overall encoder outer diameter Ø38mm, and a maximum height of 40mm
- Supporting 8mm diameter of the blind hollow shaft
- No battery or capacitor is required for position detection during power failure
- Immediate position detection on power-up
アプリケーション
- Robotics
- Factory automation
- Linear positioning system
- CNC machine tool
- Medical and lab equipment
- Wind turbine
Dimensions
公開: 2016-06-28
| 更新済み: 2025-01-24
