Broadcom ACHS-719x電流センサIC
Broadcom ACHS-719x電流センサICは、完全に集積されたホール効果ベースの絶縁リニア電流センサ デバイス ファミリです。これらのデバイスは、産業、商業、通信システムにおけるACまたはDC電流センシング用に設計されています。ACHS-719x電流センサICは、高精度、低オフセット、リニアホール回路で構成されており、銅導通経路がダイの表面の近くに配置されています。この銅伝導経路を流れる適用電流は、差動ホールセンサが比例電圧に変換する磁界を発生させます。電流センサーICの精度は、ホールセンサに磁気信号を近接させることで動作周囲温度全体で最適化されています。ICは、0.7mΩ (標準) の内部導体抵抗、低ノイズのアナログ信号パス、非常に安定した出力オフセット電圧が特徴です。これらの電流センサICは、-40°C ~ +110°Cの温度範囲内で5V単一電源電圧で動作します。ACHS-719x ICの性能は、コンパクトで表面実装可能なSO-8パッケージで提供され、世界的な規制安全基準を満たしています。代表的なアプリケーションには、eBikes、モータ位相/レール電流センシング、ソーラーインバータ、充電器/コンバータ、スイッチング電源があります。
特徴
- ACまたはDC電流に比例した出力電圧
- 供給電圧からのレシオメトリック出力
- 5Vの単電源動作
- 0.7mΩ(標準)内部導体抵抗
- ±10A~±50Aセンシング電流範囲
- 40mV/A~185mV/A出力感度範囲
- 低ノイズ・アナログ信号経路
- 極めて安定した出力オフセット電圧
- デバイス帯域幅は、1nFフィルタ・コンデンサを備えた80kHz標準帯域幅のFILTER ピンを介して設定
- 精度を目的に出荷時にトリミング済
- ほぼゼロ磁気ヒステリシス
- TA 動作全体で±6.0%の最大出力誤差
- 25kV/μs以上のコモンモード過渡耐性
- 動作温度範囲:-40°C~+110°C
- 小型フットプリント、低背のSO-8パッケージ
- UL/cULおよびIEC/EN 62368-1 (Viorm = 567Vピーク) 承認
- 3kVrms 絶縁電圧( 1分間)
アプリケーション
- 低電力インバータ電流センシング
- 電動自転車
- モータ位相とレール電流センシング
- ソーラーインバータ
- 充電器およびコンバータ
- スイッチング電源
アプリケーション回路
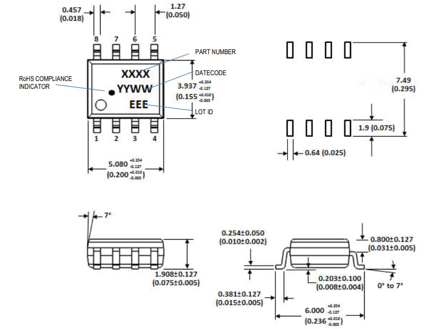
寸法
公開: 2020-10-27
| 更新済み: 2024-03-26
