特徴
- コンパクトなSSO-8パッケージでの8mm沿面および空間距離
- –40°C~+125°C動作温度範囲
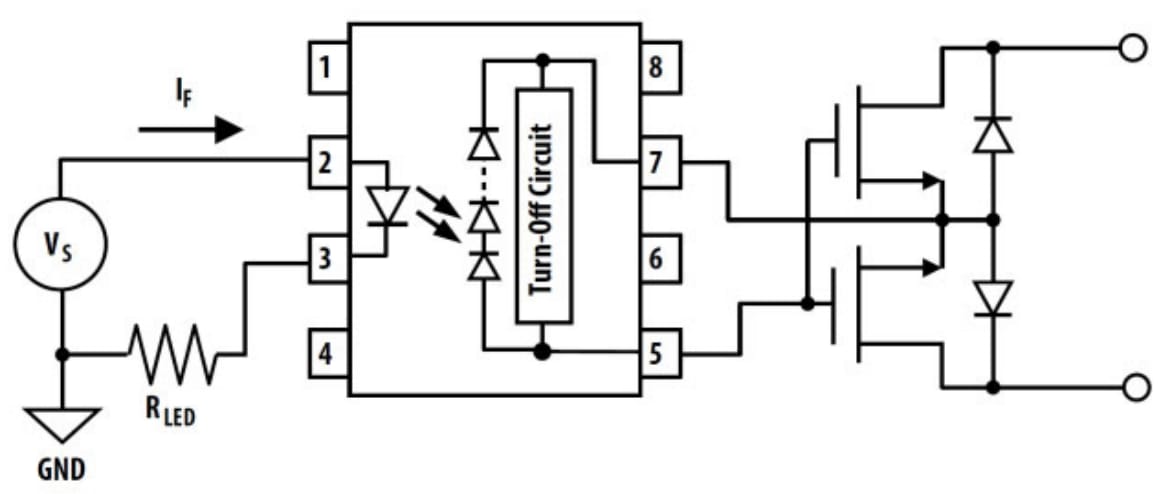
- ソリッドステートリレー・アプリケーションにおける高電圧MOSFETを対象とした光起電力ドライバ
- IF = 10mAの開回路電圧で標準8.2V
- IF = 10mAの短絡電流で標準70µA
- ロジック回路との互換性
- IF = 10mA、CL = 1nFのスイッチング速度(標準)で50µs(TON)、23µs(TOFF)
- 高電圧MOSFETの広範なポートフォリオ向けに構成可能
- ガルバニック絶縁
- 入力-出力間の高絶縁電圧
- 安全および規制に関わる承認
- IEC/EN/DIN EN 60747-5-5、最大作動絶縁電圧1140 VPEAK
- 1分間で5000Vrms(UL1577に準ずる)
- CSA部品受け入れ
アプリケーション
- ソリッドステートリレー・モジュール
- 突入電流防止
- バッテリシステムでの絶縁抵抗計測
- ソーターPVインバータ
- EVチャージシステム
- モーター巻線絶縁
アプリケーション回路
公開: 2022-02-01
| 更新済み: 2025-02-20

