AEAT-9955は、絶対および増分信号を計測し供給するための堅牢なアーキテクチャが備わった広範なアプリケーションをサポートできる多目的性ソリューションです。絶対角度計測を実施すると、10〜18ビットの間で選択でき再プログラムに対応した分解能を用いて磁石の角度位置を即座に示します。選択すると、位置決めデータはデジタル表示され、標準SSI(パリティ)およびSPI(CRCおよびパリティオプション)通信プロトコルを使用して評価されます。必要に応じて、ユーザーは、PWMエンコードされた出力信号で絶対角度位置の受信を選択することもできます。増分位置は、ABIおよびUVW信号に表示され、ユーザーによる構成が可能な1CPRから最大20,000CPR のABI信号と、1~32対の極(2~64極)のUVW整流信号が備わっています。
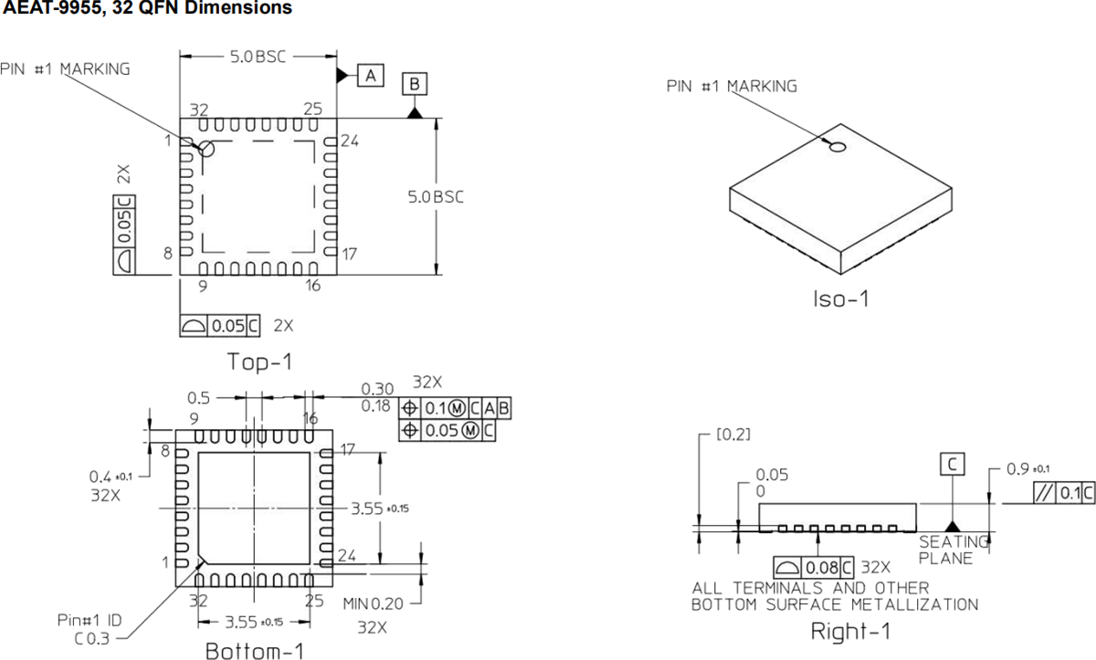
Broadcom AEAT-9955プログラマブル角度磁気エンコーダは、コンパクトな5mm x 5mmクワッド・フラット・ノーリード(QFN)パッケージで販売されており、-40°C~+125°Cの動作温度範囲が備わっています。
特徴
- 5.0Vおよび3.3Vの動作電圧
- スリープモードでの300μA電流消費
- プログラム可能な10ビット~18ビットの絶対分解能
- 増分位置は、ユーザーによる構成が可能な0CPR~20,000CPRのCPRを備えたABIおよびUVW信号に表示されます。
- 1pp~32ppの整流角度出力UVW
- 2線式SSI、3線式SSI、4線式SPI、PWMでの絶対出力
- ABI、UVW、シリアル・インターフェイス用の専用出力ピン
- 専用のゼロリセットとエラーピン
- マルチタイム・ユーザー構成のためのEEPROMアーキテクチャ
- オプションの56ビットメモリロック機能
- 高精度を実現する自動・積分非直線性角度補正
- ISO26262 ASIL-DおよびSIL3に適合する設計(冗長性のためのセカンダリチップを実装)
- 1回転の多重指数
- マルチスレーブ・ネットワークのための高インピーダンス出力
- 動作温度範囲:-40°C~+125°C
- 5mm x 5mm QFN-32パッケージ
- RoHS準拠
アプリケーション
- ブラシレスDCモータとステッパモータ
- リゾルバとポテンショメータ交換
- 産業オートメーションとロボティクス
- 工業用ミシンと繊維機器
- 光検出と範囲(LiDAR)
その他の資料
ブロック図
公開: 2022-03-24
| 更新済み: 2023-01-24

