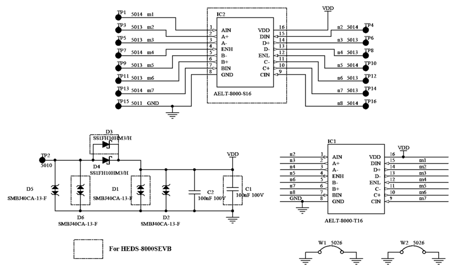
Broadcom HEDS-8000SEVBには、AELT-8000-S16(SOIC-16)ICコンポーネントが搭載されています。HEDS-8000TEVBには、AELT-8000-T16(TSSOP-16)ICコンポーネントが搭載されています。
特徴
- 動作周波数: 最大5MHz
- ドライバ供給範囲: 4.5V〜36V
- 26xx31、xx7272とのピン互換性あり
- 短絡防止トライステート出力
- 80ns (標準)低伝播遅延
- 高インピーダンスCMOS互換およびTTL互換バッファ入力(ヒステリシスあり)
- 動作温度範囲:-40°C~125°C
- 過熱保護回路
- 低電圧モニタリング
アプリケーション
- 5V ~ 36V制御システム用のラインドライバ
- ロータリーおよびリニアエンコーダインターフェース
- 産業用制御装置
- センサシステム
ボードの寸法(mm)
回路図
レイアウト
公開: 2025-03-11
| 更新済み: 2025-03-17

