Broadcom AFBR-59E4APZマルチモードSSFトランシーバ
Broadcom AFBR-59E4APZマルチモードSFFトランシーバは、新しい省電力小型フォームファクタ(SFF)トランシーバで、マルチモードファイバファストイーサネット用のさまざまなソリューションを実装する製品をシステム設計者に向けて実現しています。 これらのトランシーバは、業界標準2x5 DIPスタイルで提供され、LCファイバコネクタインタフェースが搭載されています。 これらの各デバイスは、1310nmの公称波長で、LCファイバコネクタインタフェースが搭載されています。 これらのトランシーバは、50/125µmおよび62.5/125µmたマルチモードファイバの両方を使用して動作するように最適化されています。特徴
- Multi sourced 2x5 package style
- Operates with 62.5/125μm and 50/125μm multimode fiber
- Single +3.3V power supply
- Wave solder and aqueous wash process compatibility
- Manufactured in an ISO 9001 certified facility
- Compatible with the optical performance requirements of 100Base-FX Version of IEEE 802.3u
- RoHS compliant
- LVPECL signal detect output
- Temperature range
- AFBR-59E4APZ -40°C to +85°C
- AFBR-59E4APZ-HT -40°C to +95°C
アプリケーション
- Factory automation at Fast Ethernet speeds
- Fast Ethernet networking over multimode fiber
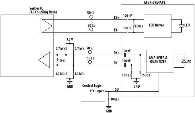
Recommended Termination Circuit
公開: 2016-06-07
| 更新済み: 2025-01-14
