CEVA FSP201 Module with BMI088
CEVA FSP201 Module with BMI088 is a 6-axis IMU processor that integrates CEVA's sensor hub software stack to generate heading and orientation outputs. The CEVA FSP201 module performs sensor fusion processing for accelerometers and gyroscopes, ensuring stable and accurate results when connected to compatible sensors. The module includes the FSP201 sensor hub processor with the Bosch BMI088.Features
- FSP201 sensor hub processor with the Bosch BMI088
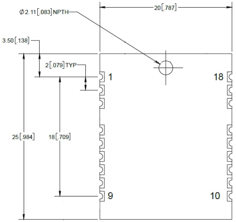
- Measures 20mm x 25mm and includes 18x castellations on 2mm pitch spacing
- Supports I2C-SHTP, UART-SHTP, and UART-RVC
Sensor Orientation
Module Dimensions
公開: 2024-04-10
| 更新済み: 2024-04-19
