Cincon CQB75-300S Isolated DC-DC Converters
Cincon CQB75-300S Isolated DC-DC Converters offer efficiency up to 90% and 75W output power at a single-output voltage range of 5V to 48V. The CQB75-300 series features an optional heat sink to extend the full power range of the unit. The DC-DC converters are fully protected against input undervoltage lockout (UVLO), output overcurrent, output overvoltage, overtemperature, and continuous short-circuit conditions. Cincon CQB75-300S DC-DC converters offer a fixed switching frequency and can operate up to an altitude of 3000m. These converters operate within a -40°C to +105°C temperature range and 180V to 450V supply voltage range. Typical applications include distributed power architectures, telecommunications, servers, base stations, battery-operated equipment, and industrial.Features
- 90% efficiency
- Fixed switching frequency
- Regulated outputs
- Remote on/off
- Low no-load power consumption
- Fully protected (OTP/OCP/OVP/UVLO)
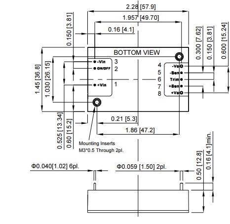
- Quarter-brick size meets industrial-standard size (2.28" x 1.45" x 0.5")
- Safety meets IEC/EN/UL 62368-1 2nd (reinforced insulation)
- Shock and vibration MIL-STD 810F compliant
- Fire and smoke EN45545 compliant
Applications
- Power architectures
- Telecommunications
- Servers
- Base stations
- Battery-operated equipment
- Industrial
Specifications
- 3000VAC I/O isolation
- 3000m operating altitude
- 180V to 450V supply voltage range
- -40°C to +105°C operating temperature range
Pin Diagram
Mechanical Specification
Additional Resources
公開: 2020-12-27
| 更新済み: 2024-04-08
