Coilcraft PoE120PL 120Wプレーナトランス

Coilcraft PoE120PL 120Wプレーナトランスは、アクティブクランプ順方向トポロジ用に設計されています。これらのプレーナトランスは、高効率、良好な直流抵抗(DCR)、低漏れインダクタンスが特徴です。PoE120PLトランスは、200kHz周波数および36V~72V入力電圧範囲で動作します。これらのプレーナトランスは、着座面の上に0.009"クリアランスを実現しており、12V補助巻線が搭載されています。

特徴

  • アクティブクランプ順方向トポロジ用に設計
  • 高い効率性
  • 良好なDCR
  • 低漏洩インダクタンス
  • 12V補助巻線を含む
  • フェライトコア材質

仕様

  • 200kHz周波数で動作
  • 入力電圧範囲: 36V~72V
  • 着座面の上で0.009″クリアランス
  • 周囲温度範囲: -40°C~125°C
  • 感湿性レベル(MSL)1
  • 重量11.1g~11.9g

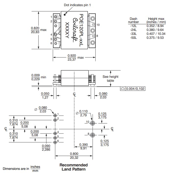
機械図面

機械図面 - Coilcraft PoE120PL 120Wプレーナトランス
公開: 2019-09-09 | 更新済み: 2023-08-08