Crowd Supply LimeRFE Power Amplifier
Crowd Supply LimeRFE Power Amplifier (PA) is an open hardware PA with filtering and support circuitry to augment the LimeSDR, LimeSDR Mini, and LimeNET Micro platforms. The LimeRFE module provides a complete solution that addresses real-life applications from HAM radio to standards-compliant cellular network implementations.Features
- Filtering
- Each band has appropriate filtering for both Rx and Tx
- Selectable AM/FM notch filter
- Fully open-source software
- Firmware
- API support
- GUI
- LimeSuite integration
- Control and configuration
- Programmable via-Arduino IDE
- Arduino Nano-compatible microcontroller (ATmega328)
- FT232RL USB-to-serial converter
- Host serial connection via USB mini type B connector
- Power and SWR meter
- 1MHz to 4000MHz power and SWR meter (external directional coupler required)
- Cellular bands Tx power meter (internal coupler)
- 10-pin interface to SDR
- Power and ground
- I2C (SDA and SCL)
- 2x GPIO connected to onboard microcontroller
- 4x bi-directional level-shifted I/O:
- 1.2V to 5.5V
- Each I/O has a high-voltage and power Darlington drive stage for inductive loads (coaxial relays)
- Individually switchable direction (input/output)
- Power supply
- Single 12V supply
- Optionally supply microcontroller and Rx channels via USB
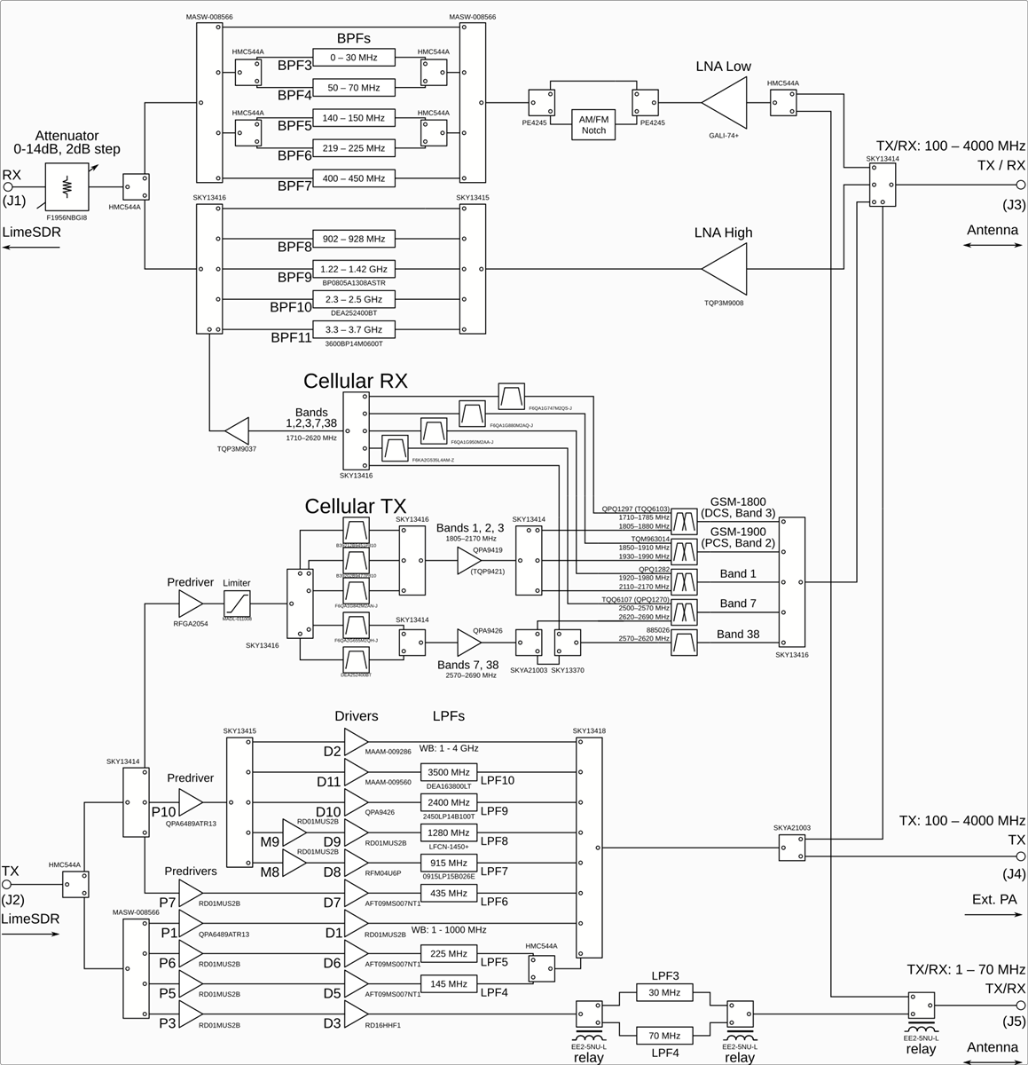
Block Diagram
公開: 2020-01-23
| 更新済み: 2024-06-05
