特徴
- 電流出力:2A
- LM78xxリニアレギュレータとのピン互換性あり
- 動作温度:-40°C~+85°C
- 入力電圧範囲 4.75VDC~36VDC
- 継続的な短絡保護
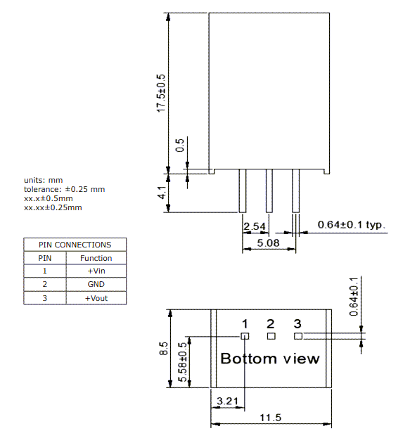
- コンパクトなSIP3パッケージ
- 低リップルおよび低ノイズ
- EN/IEC 62368-1規格に適合する設計
アプリケーション
- スペースに制約があり、エネルギー効率に優れた設計
- 産業
- 電気通信機器
- 携帯用電子機器
仕様
- 入力電圧
- 標準24VDC
- 範囲 4.75VDC~36VDC
- 出力電圧範囲 1.8VDC~15VDC
- 最大出力電流 2000A
- 最高出力電力:5W~30W
- 最大リップルノイズ: 50MVp-p~ 75mVp-p
- 最大96%の標準効率
機械図面
EMC推奨回路
公開: 2025-04-17
| 更新済み: 2025-04-23

