Digi Digi Connect ME®デバイスサーバモジュール
Digi International Digi Connect ME®デバイスサーバモジュールは、完全・多機能性の組み込みIPv6対応ネットワーク接続および強力なスタンダードベースの暗号化サービスを提供します。これらのサーバモジュールには、プラグアンドプレイ機能と業務用開発ツールが装備されており、カスタムアプリケーションを対象としています。MEサーバモジュールは、代表的なDigi 32ビットNET+ARMテクノロジーで構築されています。これらのモジュールにはピン互換性およびDigi Connect Wi-MEとの互換性があり、ワイヤレスソリューションへの直接的な移行パスを実現します。MEサーバモジュールは、-40°C~85°C温度範囲で動作します。これらのサーバモジュールは、統合10/100Mbitイーサネット・インターフェイスおよび強力なエンタープライズグレード・ネットワーク・セキュリティが特徴です。MEサーバモジュールには、高度に統合された低排出設計およびハイスピード・シリアルインターフェイスが搭載されています。これらのサーバモジュールは、小売システム、セキュリティ/アクセス制御、医療機器、ビル/工業オートメーションでの使用に最適です。
特徴
- 統合10/100 Mbitイーサネットインターフェイス
- 強力なエンタープライズグレードのネットワークセキュリティ
- ワイヤードおよびワイヤレスモジュール用の一般的なファミリのフットプリント
- 高速シリアル・インターフェイス(UART)
- コンパクトで安全な32ビット・デバイス・サーバ・モジュール
- ピン互換モジュールソリューションの完全ファミリ
- 高度に統合された低排出設計(FCC Class B)
- 拡張および工業動作温度
- DigiプロセッサとWLANテクノロジー(真の長期可用性向け)
仕様
- 32ビットDigi NS7520プロセッサ
- 55MHzプロセッサスピード
- 動作温度範囲: -40°C~85°C
- -55°C~125°C保存温度範囲
- 5%~90%(結露なし)相対湿度
アプリケーション
- 小売りシステム
- セキュリティ/アクセス制御
- 医療機器
- ビル/工業オートメーション
ブロック図
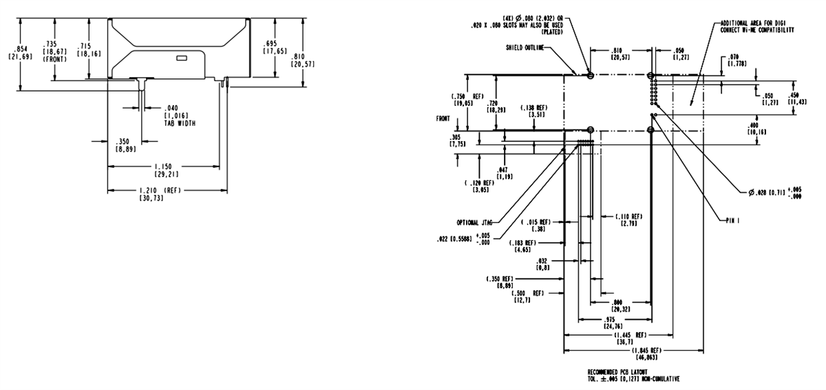
機械図面
公開: 2019-12-11
| 更新済み: 2024-02-29
