Diodes Incorporated AL1783Q 3チャンネルPWMリニアLEDドライバ
Diodes Incorporated AL1783Q 3チャンネルPWMリニアLEDドライバは、車載用LED照明アプリケーションを対象に設計されており、コンパクトなソリューションに起因しています。このドライバには、各チャンネルを対象とした独立したPWM調光および電流設定制御が備わっています。また、AL1783Qドライバは、PWM調光性能、eBOM費用対効果、システム実装の容易性、低スタンバイ電力に起因しています。このドライバは、TSSOP-16EPパッケージでご用意があり、外付けコンポーネント数とプリント基板スペースを最小限に抑えます。AL1783Qドライバは、各チャンネルのLED電流を設定するために3つの外部参照ピンを備えており、このドライバは 鉛フリーで、RoHSに準拠しています。このドライバは、6.5V~55V入力電圧範囲および-55°C~160°C保存温度範囲で動作します。AL1783Qドライバは、位置ライト、フォグライト、リアライトで使用されます。特徴
- 各チャンネルにLED電流を設定する3本の外部基準ピン
- AEC-Q100 (grade 1) 認定済
- 各チャンネルの独立したPWM調光制御
- 各チャンネルにLED電流を設定する3本の外部基準ピン
- スタンバイ省電力モードに自動的に入ると終了
- 堅牢な保護:
- 低電圧ロックアウト(UVLO)
- 過電圧保護(OVP)
- LEDストリング・オープン保護(LEDオープン)
- 過熱保護(OTP):
- サーマル・フォールドバック
- 熱シャットダウン
- 自動熱回復
- 障害報告:
- UVLO
- OTP
- LEDオープンとショート
- リードフリー、RoHS準拠
仕様
- 入力電圧範囲6.5V~55V
- LED電流公差:125mAで±4%
- 40kHzの高速PWM調光
- 保管温度範囲: -55°C ~160°C
- 動作接合部温度範囲: -40°C ~ 150°C
- -40°C~125°Cの動作周囲温度範囲
アプリケーション
- 日中走行用ライト
- ポジションライト
- フォグランプ
- リアライト
- 停止またはテールライト
- 屋内照明
標準アプリケーションの回路図
ブロック図
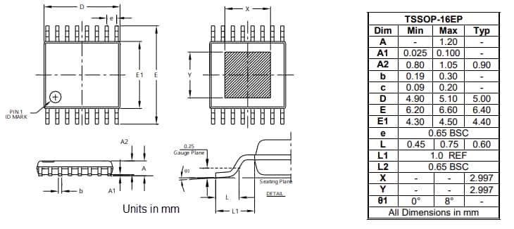
寸法図
公開: 2024-01-31
| 更新済み: 2024-03-07
