Diodes Incorporated AL3644カメラFlash LEDドライバ
Diodes Incorporated AL3644カメラフラッシュLEDドライバは、小型ソリューションサイズ内で高レベルの調整性を実現しているデュアルLEDフラッシュドライバです。これらのドライバには、2MHzまたは4MHzの固定周波同期ブーストコンバータが活用されており、デュアル1.5A定電流LED源に給電できます。これらの電流源には、LED1とLED2の間で電流比を調整できる柔軟性もあります。AL3644 LEDドライバは、ハードウェア・トーチおよびハードウェア・フラッシュ・ピン(TORCH/TEMP、STROBE)、NTCサーミスタモニタ、TX遮断が特徴です。これらのLEDドライバには、フラッシュあるいはムービーモード(トーチ)状態でLEDを駆動するように各出力レッグで個々にプログラミングできる電流が備わっています。AL3644 LEDドライバはRoHSに準拠しており、-40°C~85°Cの温度範囲で動作します。これらのLEDドライバは、カメラ付き携帯電話の白色LEDフラッシュでの使用に最適です。特徴
- デュアル独立型1.5A LED電流源のプログラム性
- 高精度でプログラミング可能なLED電流範囲: 1.4µA~1.5A
- トーチ電流: 最大360mA(AL3644TT)
- フラッシュのタイムアウト値: 最大1.6秒 (AL3644TT)
- 低バッテリ状態中に最適化されたフラッシュLED電流(入力電圧フラッシュモニタ)
- (100mAの)トーチモードおよび(1A~1.5Aの)フラッシュモードで>85%効率性
- 接地カソードLED動作により熱管理を改良
- <16mm2小型ソリューションサイズ
- ハードウェア・ストローブ・イネーブル(STROBE)
- RFパワーアンプパルス事象(TX)のための同期入力
- ハードウェア・トーチ・イネーブル(TOACH/TEMP)
- リモートNTCモニタリング (TORCH/TEMP)
- 400kHz I2C互換インターフェイス – AL3644 (I2Cアドレス = 0x63)
- 完全無鉛でRoHS準拠
- ハロゲンとアンチモンフリー
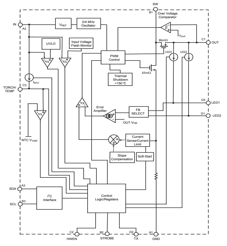
ブロック図
標準アプリケーション回路
その他の資料
公開: 2019-09-30
| 更新済み: 2023-08-01
