Diodes Incorporated AP3917x降圧型パワースイッチャ
Diodes Incorporated AP3917x降圧型パワースイッチャは、非絶縁バックソリューションまたはオフラインフライバックソリューションが活用されているユニバーサルAC電圧スイッチャです。これらのパワースイッチャは、単巻線インダクタと連携して、部品表(BOM)のコストが低いソリューションを実現しています。また、AP3917xスイッチャは、過温度上昇保護、不足電圧ロック機能、出力ショート保護、過負荷保護、開ループ保護が特徴です。これらのパワースイッチャには、8.2V~8.8V供給電圧範囲および-40°C~125°C周囲温度範囲があります。AP3917xスイッチャは、ユニバーサル85VAC~264VAC入力範囲が備わっている低可聴ノイズソリューションです。これらのパワースイッチャは、IoT、産業用制御、非絶縁家電、スタンバイ電源、補助電源での使用に最適です。特徴
- さまざまな保護:
- OTP(過温度上昇保護)
- OLP(過負荷保護)
- SCP(短絡保護)
- 開ループ保護
- 不足電圧ロック機能
- 出力短絡保護
- EMIを抑制する周波数変調
- さらに少ない部品数
- 低可聴ノイズソリューション
- 非負荷電力消費
- 完全無鉛でRoHSに完全準拠
- ハロゲンとアンチモンフリー
仕様
- 85VAC~265VACユニバーサル入力範囲
- 動作温度範囲: -40°C~+125°C
- ±5%定電圧
- -0.7V~650Vドレインピン電圧範囲
- 520Vドレイン-ソース電圧
- ストレージ温度範囲: -65°C~+150°C
- T、NCC= 25°Cで1W連続電力消費
アプリケーション
- 非絶縁家電
- ACファン
- 炊飯器
- シェーバー
- 牛乳機器
- IoT
- 産業用制御装置
- スタンバイ、補助
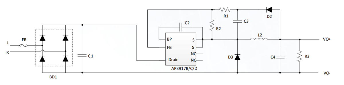
AP3917xのアプリケーション回路
AP3917xの機能ブロック図
その他の資料
公開: 2019-09-05
| 更新済み: 2023-07-26
