Diodes Incorporated AS2333Qゼロドリフト・オペレーショナルアンプ(オペアンプ)
Diodes Incorporated AS2333Qゼロドリフトオペアンプは、超低入力オフセット電圧(8μV典型)と、時間および温度に対してほぼゼロドリフトを提供するデュアルCMOSオペアンプです。この技術によって、大半のレールツーレール入力オペレーショナルアンプに存在する1/fノイズとクロスオーバー歪みが排除されます。高精度、低自己消費電流アンプには、レールを超過する100mVのコモンモード範囲およびレールの50mV以内にスイングするレール・ツー・レール出力がある高インピーダンス入力が備わっています。最低1.8V(±0.9V)および最大5.5V(±2.75V)のシングルまたはデュアル電源を使用できます。チョッピング安定化技術を用いて設計されたAS2333Qは、特に低消費電力高精度アプリケーションを対象に低電圧単電源アプリケーション用に最適化されています。
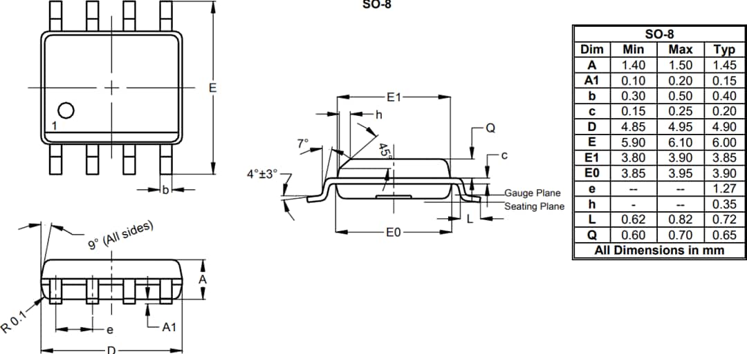
Diodes Incorporated AS2333Qオペアンプは、業界スタンダードのSO-8パッケージでご用意があります。デバイスは、自動車アプリケーションのAEC認定を取得しており、指定動作温度-40°C~+125°Cの認定温度グレード1です。
特徴
- 低入力オフセット電圧8μV(標準)
- ゼロドリフト、標準0.02μV/°C
- 0.01Hz ~ 10Hzノイズ; 1.1μVPP
- 12μAの低自己消費電流
- 電源電圧8V~5.5V
- レール・ツー・レール入出力
- 350kHz帯域幅
- 標準スルーレート0.12V/μs
- 動作温度範囲:-40°C~+125°C
- SO-8パッケージ
- 完全リードフリーでRoHS準拠
- ハロゲンとアンチモンフリー「グリーン」デバイス
アプリケーション
- バッテリ駆動計器
- ポンプ
- エアバッグ
- 位置センサ
- 車両占有者検出センサ
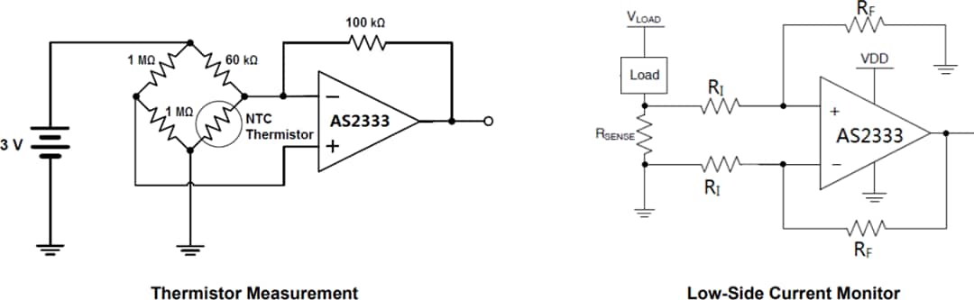
標準アプリケーション回路
パッケージ外形
その他のリソース
公開: 2022-06-29
| 更新済み: 2024-04-12
