Diodes Incorporated AL3069Q自動車ディスプレイLEDバックライトドライバ
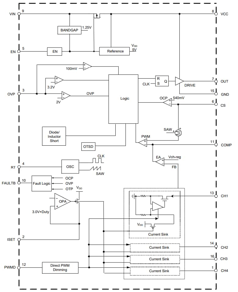
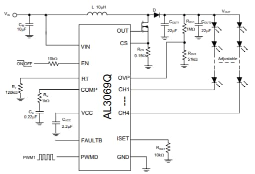
Diodes Incorporated AL3069Q車載ディスプレイLEDバックライトドライバは、車載LEDバックライトアプリケーション専用に設計された高効率60Vブーストコントローラです。これらのドライバには、4つの80V高精度電流シンクチャンネルが統合されており、堅牢な故障診断機能が搭載され、厳しい環境における信頼性の高い動作が保証されます。AL3069Q LEDドライバは、内蔵適応型電圧制御が特徴で、4.5V ~ 60Vの広い入力電圧範囲で動作します。これらのドライバは、 100kHzから1MHzでスイッチング周波数を調整することが可能で、100Hzで最小 1/5000 の PWM 調光デューティサイクルを実現できます。AL3069Qドライバは、TSSOP-16EP (タイプDX)およびUQFN4040-16/SWP (タイプUXB)パッケージでご用意があります。これらのLEDバックライトドライバは、AEC-Q100グレード1の認定を受けており、PPAPをサポートする車載グレードです。AL3069Qドライバは、最先端の障害診断機能と堅牢な保護機能を備えており、自動車用インフォテインメントシステム、計器クラスター、スマートミラーなどの用途に最適です。特徴
- AEC-Q100グレード1認定
- ブーストまたはSEPIC DC/DCコントローラ
- 内蔵適応型電圧帰還
- 入力電圧範囲:4.5V~60V
- 安全なテストのための高電圧ピンCSおよびOVP
- スイッチング周波数範囲 100kHz~1MHz
- 4つの高精度電流シンク
- 1ストリングあたり250mAおよび400mAパルス電流
- 標準±0.5%チャンネル間電流マッチング
- ダイレクトPWM調光に対応
- 広範な障害診断
- オープンドレイン障害報告ピン
- 100Hz調光周波数で最小1/5000のPWM調光負荷サイクルを実現
- LEDオープン/ショート保護
- ショットキーダイオード/インダクタ短絡保護
- 内蔵保護機能:
- 過電流保護(OCP)
- 過電圧保護(OVP)
- 過熱保護(OTP)
- 低電圧ロックアウト(UVLO)
- VOUT ショート/ショットキーダイオードオープン保護
- 完全にリードフリー、RoHSに完全準拠
- ハロゲンとアンチモンフリー「グリーン」デバイス
アプリケーション
- 車載用インフォテイメント
- 自動車計器クラスタ
- スマートミラー
- ヘッドアップディスプレイ(HUD)
アプリケーション回路図
機能ブロック図
その他の資料
公開: 2025-10-07
| 更新済み: 2025-11-21
