Diodes Inc AL58263は、入力電圧範囲3V ~ 5.5V、出力チャンネル電圧15V、高速25MHz DCK入力で動作します。このデバイスは、各LEDストリングに対して最大55mAの高精度電流を供給します。各チャンネルの電流出力は、デジタルインターフェイスから個別にプログラム可能です。外部センシングレジスタ1点と6ビットグローバル電流制御レジスタ1点を使用することで、すべてのチャンネルの出力電流を設定できます。
AL58263は、エラー検出をはじめとする内蔵診断、およびLEDオープン/ショート保護を備えています。これらのエラー結果は、MCU読み出し用レジスタに格納されます。
AL58263は、TSSOP-24EP(Type A1-B)パッケージで設計されており、周囲温度範囲-40°C ~ +85°Cでの使用を目的に指定されています。
特徴
- 入力電圧:VDD 3V~5.5V
- 出力電流範囲
- 2mA ~ 55mA/5V、2mA ~ 35mA/3.3V
- ±0.1%の出力電流安定化機能
- 6ビットのグローバル電流制御:12.5% ~ 200%
- 16定電流シンク出力チャンネル
- 適応型パルスを用いた16ビット・グレースケール分解能
- 密度変調制御
- 長いLEDストリング用の15V定格出力チャンネル
- 高速過渡応答 - ダブルエッジ最大16MHzまでの外部グレースケールクロックに対応
- チャンネル間LED電流精度:±1.5%(標準)
- チップ間LED電流精度:±3%(標準)
- 高出力LEDアプリケーション向けの非スクランブル波形
- グレースケールカウンタリセット選択
- グレースケールデータ同期選択
- 完全無鉛でRoHSに完全準拠
- ハロゲンとアンチモンフリー「グリーン」デバイス
- 診断と保護
- エラー検出には、LEDオープン、LED短絡、出力ポート漏洩、GNDへの出力短絡、出力の電源短絡、GNDへの短絡があります。
- ちらつきを防止する0.1mAでのエラー検出LED
- ショート検出閾値電圧選択(2V/3V/4V/4.5V)
- 電源電流を低減するためのスリープ、および0-データモード
- 温度過昇警告
- 4線式シリアルインターフェイス(LAT、DI、DO、DCK)
- データ転送用のクロック周波数25MHz
- EMI低減グレースケールクロック
- カスケード機能(最大1,440デバイス)
- 外部GCKウォッチドッグ
- EMI低減のためのスタッガ出力遅延
アプリケーション
- 屋内外LEDビデオディスプレイ
- 可変メッセージ標識(VMS)
- 交通標識
- 屋外看板
- LCDバックライト
仕様
- AEC認定なし
- 標準コンプライアンス(PPAPをサポートする自動車のみ)
- リニアLEDドライバトポロジー
- 最小電源電圧:3V
- 最大電源電圧:5.5V
- 最大VOUT :15V
- 16チャンネル
- 出力電流: 55mA
- チャンネル最大:55mA出力電流
- 精度1.5%
- 内部レジスタ16ビットによるPWM調光
- -40°C~85°C温度範囲
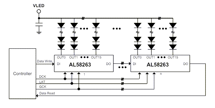
アプリケーション図
公開: 2024-04-30
| 更新済み: 2024-05-14

