Diodes Incorporated AL58263Q 16チャンネル車載用LEDドライバ
Diodes Incorporated AL58263Q 16チャンネル車載用LEDドライバは、AEC-Q100 グレード1の定電流LEDドライバで、16ビット グレースケールの適応型パルス密度変調(APDM)PWMを搭載しています。APDM PWMは、エラー診断、省電力機能、電流ゲイン制御をサポートしています。この独自のAPDMテクノロジーはまた、非対称な過渡応答によって生じる望ましくないIOUT の歪みを軽減し、フレーム波形を効率的に分離することでリフレッシュレートを向上させます。Diodes Incorporated AL58263Qは、ウェッタブルフランクW-QFN4040-24/SWP(タイプA1)パッケージで提供され、-40°C〜+125°Cの周囲温度範囲に仕様規定されています。L58263Qは、3V~5.0Vの入力電圧範囲、15Vの出力チャンネル電圧、高速25MHz DCK入力で動作し、各LEDストリングに最大55mAの高精度電流を供給します。各チャンネルの平均出力電流は、デジタルインターフェイスを介して個別にプログラム可能です。1つの外部検出抵抗器または6ビットのグローバル電流制御レジスタで、全チャンネルの出力電流を設定できます。AL58263Q LEDドライバは、エラー検出を含む検出/診断およびLEDオープン/ショート保護機能を内蔵しています。これらのエラー結果は、MCUが読み出すことができるように、レジスタに保存されます。
特徴
- AEC-Q100 グレード1認定、PPAP対応、IATF16949認証施設での製造
- 入力電圧(VDD):3V〜5.0V
- 出力電流範囲
- 2mA~55mA/5.0V
- 出力電流レギュレーション:±0.1%(代表値)
- 16チャンネル定電流シンク出力
- 16ビット グレースケール分解能
- 6ビット グローバル電流制御
- 出力チャンネル電圧:15V定格
- チャンネル間のLED電流精度:±1.5%(代表値)
- チップ間のLED電流精度:±3%(代表値)
- EMI低減のためのスタッガー出力遅延
- カスケード対応(最大1440デバイス)
- 検出と診断
- LEDオープン、LEDショート、出力ポートのリーク、出力のGNDへのショート、出力の電源へのショート、REXTのGNDへのショートなどのエラー検出機能
- 過熱前警告
- 4線式シリアルインターフェイス +1(LAT、DI、DO、DCK + GCK)
- データ転送用のデータクロック(DCK)周波数:25MHz
- 最大16MHZのダブルエッジのグレースケールクロック(GCK)
- 外部GCKウォッチドッグタイマ
- ゼロデータおよびスリープモードによる省電力
- レジスタでプログラム可能なオプション
- 通常のPWMまたは適応型パルス密度変調
- 内蔵PWMまたは外部グレースケールクロック(GCK)
- ショート検出の閾値電圧選択(2V/3V/4V/4.5V)
- 周囲温度範囲: -40°C~+125°C
- ウェッタブルフランクW-QFN4040-24/SWP(タイプA1)パッケージ
- 完全鉛フリーおよび完全RoHS準拠
- ハロゲンとアンチモンフリー「グリーン」デバイス
アプリケーション
- 車載クラスタ
- 車載用ローカル調光ディスプレイ
- 車載用フロントおよびバックフェイスプレート
- 車載用センタースタックディスプレイ
- 車載インテリアおよびRGB照明
- 車載用HVACコントロールパネル
- 車載用ギアシフタインジケータ
- 車載外装照明
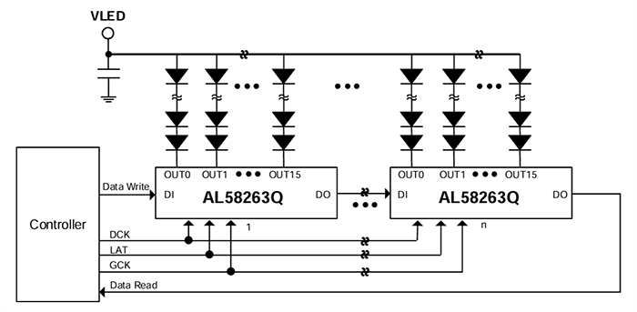
代表的なアプリケーション
ブロック図
公開: 2024-10-18
| 更新済み: 2024-12-12
