Diodes Incorporated AL5887 I2C/SPI 36チャンネル、リニアRGB LEDドライバ
Diodes IncorporatedのAL5887は、I2C/SPI 36チャンネルリニアRGB LEDドライバで、それぞれが内部で12ビットPWMを備えた36のプログラム可能なLED電流チャンネルを特徴としています。色と明るさの制御が可能です。AL5887は、最大12個のRGB LEDモジュールを使用する照明アプリケーションに理想的であり、各色のソフトウェア制御のためのプログラム可能なバンク(A、B、およびC)が三つ備わっています。外付け抵抗器を使用すると、36xチャネルすべてを網羅するグローバル出力電流を設定できます。各チャンネル電流は、パッケージの熱制限に沿って最大70mAにデジタル設定されています。AL5887は、-40°C~+85°Cの範囲の周囲温度での動作に規定された6mm x 6mm W-QFN6060-52/SWPパッケージ(Type A1)で供給されます。機能は、SPI/I2Cデジタルインターフェースを介して管理され、専用のピンINT_SELを使用していずれかのプロトコルを選択します。AL5887は、各チャンネルに30kHz、12ビットのPWMジェネレーターとチャンネル/モジュールに依存しないカラーミキシングと輝度調整レジスタを提供します。このレジスタを採用すると、可聴ノイズがない鮮明なLED効果を実現できます。Diodes Incorporated AL5887は、省電力モード時のシャットダウンIQが極めて低く、ソフトウェアで簡単にプログラミングできます。
特徴
- 入力範囲: 2.7V~5.5V
- 36x 高精度LED電流シンク
- 最大出力ピン電圧 5.5V
- 1チャンネルあたり最大70mAまでの電流(最大)
- 7mAから70mAまでの<2%のデバイス間電流精度
- 1mAから7mAまでの<3.5%のチャンネル間電流精度
- 12ビット(4096ステップ)、30kHzのPWMジェネレーターを各チャンネルに内蔵
- PWM位相シフト
- 6ビット・グローバル電流調光
- チャンネルあたりの独立色混合レジスタ
- RGBモジュールごとに独立した輝度制御レジスタ
- オプションの対数またはリニアスケール輝度制御
- 3つの プログラマブルバンク(A、B、C)
- シリアルデジタルインターフェイス(I2C/SPI)
- 400kHz I2Cインターフェイス(デフォルト)をサポート
- 外部ハードウェアアドレスピンが2つあり、最大4つのデバイスを接続できます(I2Cのみ)
- 2MHz SPI互換デジタルインターフェイス(INT_SELピン = HIGH)
- 同時に複数のデバイスを設定できる放送スレーブ・アドレス
- 自動インクリメントによって、1回以内の送信で連続レジスタの書込または読取が可能
- デジタルインターフェイスを介した診断と保護状態の読み取り
- オープンドレインFAULTピン(障害表示用)
- 個別のLEDチャネルオープン/ショート検出
- UVLO事前警告と低電圧ロックアウト(UVLO)
- 事前OTP警告付き過熱保護(OTP)
- デジタルPORインジケータ
- 個々のチャネル障害マスキング
- 超低静止電流
- EN Low >25msの場合、シャットダウンモードで最大1μA
- EN Highで全LEDがオフ>30msの場合、パワーセーブモードで最大15μA
- 6mm x 6mm W-QFN6060-52/SWP(タイプA1)パッケージ
- リードフリー、RoHS準拠
- ハロゲンおよびAntimony-free (Green Device)
アプリケーション
- スマート・ホーム家電
- スマートスピーカ
- ビデオ・ドアベル
- 電子スマートロック
- 煙探知器
- スマートルーター
- セットトップボックス
- RGB LED照明
- 建築照明
- 産業用LED照明
- ウェアラブル端末とハンドレッド端末
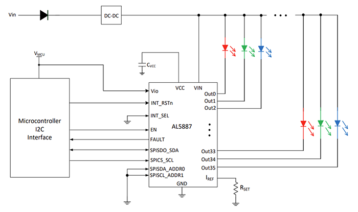
標準的なアプリケーション図
ビデオ
公開: 2023-01-26
| 更新済み: 2023-12-06
