Diodes Incorporated AP3156 LED Drivers
Diodes Incorporated AP3156 LED Drivers are a low noise, constant frequency charge pump DC/DC converter that uses a tri-mode load switch (1X), fractional (1.5X), and doubling (2X) conversion to maximize efficiency for white LED applications. Diodes Incorporated AP3156 LED driver is capable of driving the LED channels at 120mA maximum from a 2.75V to 5.5V input.The AP3156 serial digital input is used to enable, disable, and set current for each LED with a 32-level logarithmic scale plus four low-current settings down to 50µA for optimized efficiency with a low quiescent current of only 50µA. This Diodes Incorporated LED driver is ideal for use in a variety of applications, including color (RGB) lighting, programmable current sinks, white LED backlighting, and white photo flash for digital still cameras.
Features
- 2.7V to 5.5V VIN Range
- Fully programmable current with single wire
- 32-Step logarithmic scale
- 20/25mA Max current per channel
- Four low current settings down to 50µA
- Low IQ (50µA) for low current mode
- Tri-mode 1X, 1.5X, and 2X charge pump for maximum efficiency and VF coverage
- Drives up to six channels of LEDs
- Individual main/sub-group control
- No inductors, low noise operation
- 0.5/1/2MHz Constant switching frequency
- Small application circuit
- Built-in thermal protection
- Built-in auto-disable for open circuit
- Automatic soft start
- IQ <1µA in Shutdown
- Thermally-enhanced QFN4040-16 package: available in “green” molding compound (No Br, Sb)
- Lead free finish/RoHS compliant
Applications
- Color (RGB) lighting
- Programmable current sinks
- White LED backlighting
- White photo flash for digital still cameras
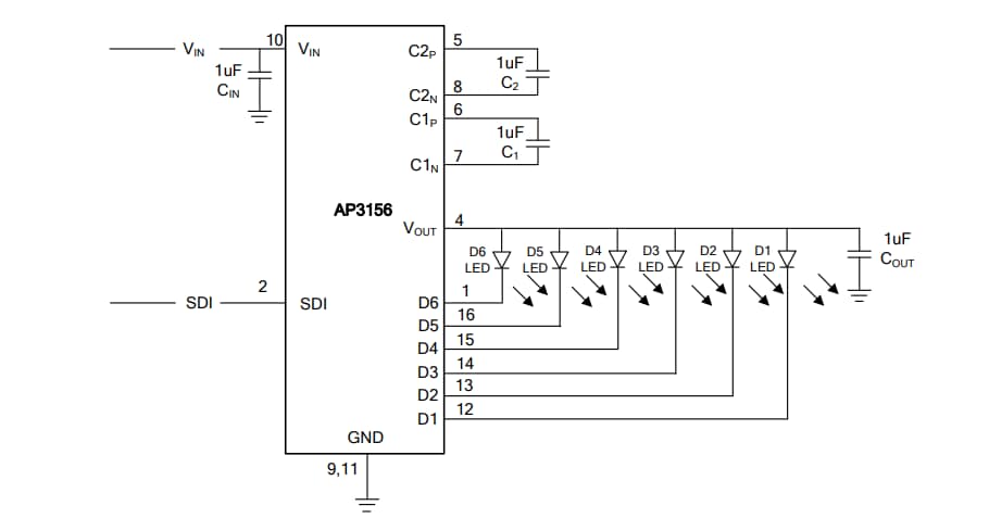
Typical Application Circuit
公開: 2010-04-02
| 更新済み: 2022-03-11
