Diodes Incorporated AP64351SP-EVM評価ボード
Diodes Incorporated AP64351SP-EVM評価ボードは、AP643513.5A同期降圧コンバータを評価します。これらのコンバータは、80mΩ 高圧側パワーMOSFETおよび50mΩ 低圧側パワーMOSFETと完全に統合されており、効率性の高いDC/DC変換を実現できます。AP64351SP-EVMボードは、-40°C ~ 125°C温度範囲および3.8V ~ 40V電源電圧範囲で動作します。この評価ボードには、3.5A連続出力電流が備わっています。AP64351SP-EVMボードは、LCDディスプレイ、シガーライターアダプタ、充電器、USB Type-C電力供給、USB充電、車載システムでの使用に最適です。特徴
- AP64351同期降圧コンバータを評価
- 3.5A連続出力電流
- 3.8V~40V供給電圧範囲
- 動作温度範囲:-40°C~125°C
アプリケーション
- コードレス電動工具、コードレス家電、ドローン、エアロモデリング、GPSトラッカ用のバッテリパック駆動システム
- シガ―ライターアダプタと充電器
- LCD
- USB Type-C™電源供給とUSB充電
- 工業および医療用の分散電源
- 光通信とネットワーキングシステム
- 車載システム
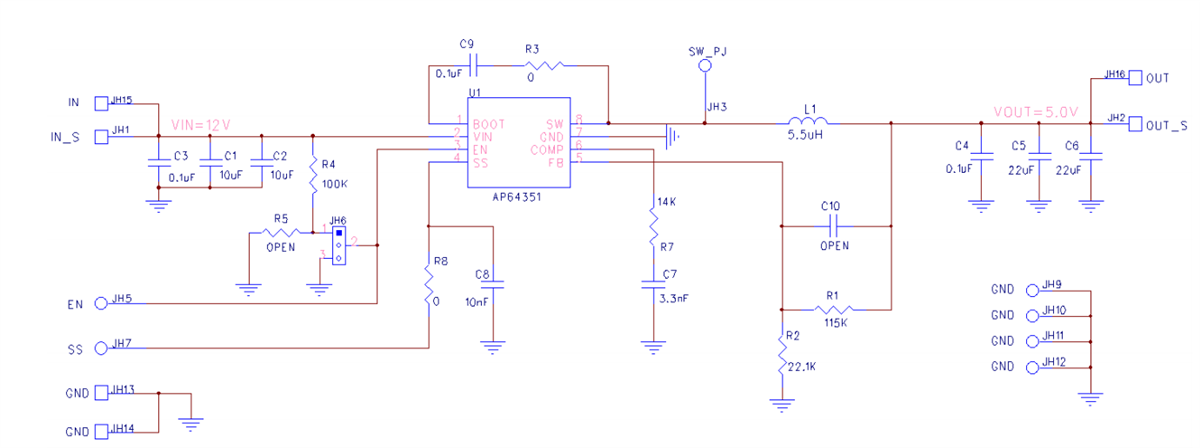
回路図
公開: 2020-02-11
| 更新済み: 2024-07-24
