Diodes Incorporated AP7372低ノイズULDOレギュレータ
Diodes Incorporated AP7372低ノイズULDOレギュレータは、ノイズに敏感なアプリケーションで比類のない性能を発揮するように設計されています。2.7V~20Vで動作し、最大200mAの出力電流を実現しているこれらのレギュレータは、10kHzで90dBの高電源リップル除去比(PSRR)が特徴で、高性能アナログおよび混合信号回路での安定した動作が保証されます。AP7372は、固定出力電圧のオプション(1.8V、2.5V、3.3V、5.0V)に関係なく、出力ノイズがわずか8μVRMS で、優れたラインおよび負荷過渡応答を達成します。さらに、このデバイスには、プログラマブル・ソフトスタート機能、200mAで120mVの低ドロップアウト電圧が備わっており、2.2μFのセラミック出力コンデンサで安定しています。これらの特長を備えるAP7372は、ADC/DAC回路、精度アンプ、VCO VTUNE 制御用電源などのアプリケーションに最適です。特徴
- 固定出力電圧に関係なく、8μVRMS の低ノイズを実現
- 高いPSRR
- 90dB(10kHz時)
- 70dB(100kHz時)
- 52dB(1MHz時)
- 入力電圧範囲2.7V~20V
- 最大出力電流: 200mA
- ±0.8%の高出力電圧精度
- ライン、負荷、温度に対する精度±1.8%、範囲-40°C ~ +125°C
- 低いドロップアウト電圧:120mV(IOUT =200mA(標準)時)
- ユーザープログラマブル・ソフトスタート
- 66μA(標準)の低自己消費電流
- 1μA(標準)未満の小シャットダウン電流
- 3.1μA(VIN = 5V時)
- 3.3μA(VIN = 20V時)
- 2.2μFのセラミック出力コンデンサーで安定に動作
- 出力電圧を1.2 V〜VIN - VDO の範囲で調整でき、初期設定値以上に調整可能
- 端子
- 銅リードの上にニッケルパラジウム金仕上げ
- MIL-STD-202、Method 208に準じたはんだ付け
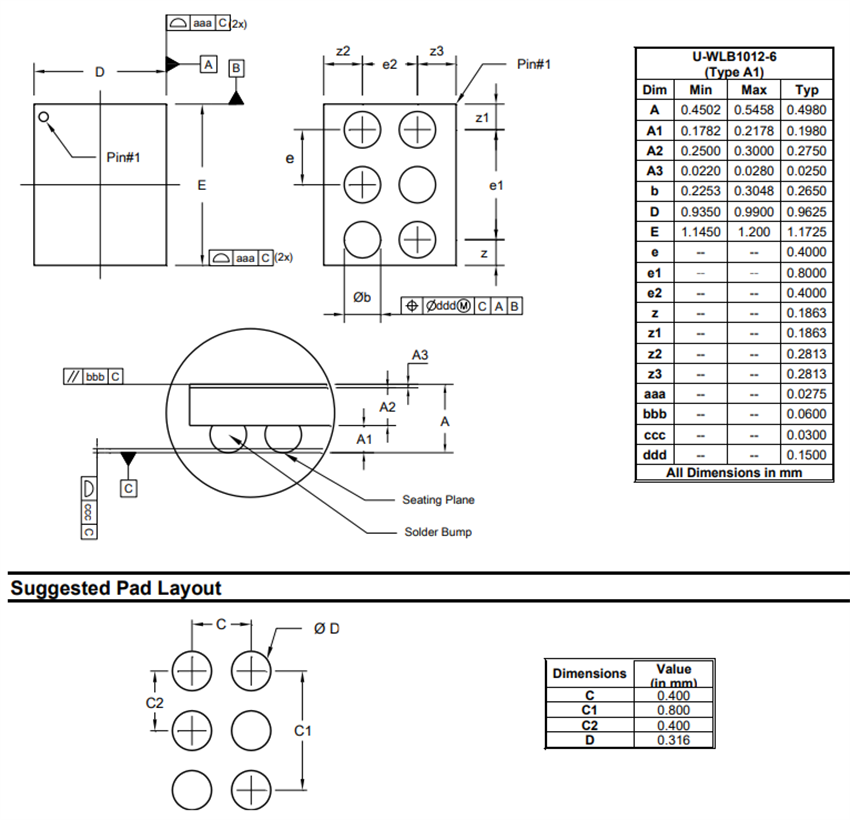
- U-WLB1012-6 (Type A1)パッケージ
- J-STD-020に準じた感湿性レベル(MSL) 1
- 完全無鉛でRoHSに完全準拠
- ハロゲンとアンチモンフリー「グリーン」デバイス
アプリケーション
- ノイズに敏感なアプリケーションの安定化
- ADCおよびDAC回路
- 精密アンプ
- VCO VTUNE 制御用電源
- 通信とインフラ
- 医療機器、健康機器
- 工業および計器
その他のリソース
代表的なアプリケーション
ブロック図
寸法
公開: 2025-04-21
| 更新済み: 2025-07-31
