Diodes Incorporated AS339/339Aアナログコンパレータ
Diodes Incorporated AS339/399Aアナログコンパレータは、4つの独立型高精度電圧コンパレータで構成されています。 これらのコンパレータは、広い電圧範囲にわたって単電源で動作するように設計されています。 また、AS339/339Aコンパレータは分割電源で動作することも可能で、電流ドレインを独立に保ちます。 AS339Aコンパレータには、AS339コンパレータよりも厳しい入力オフセット電圧があります。 これらのクワッドコンパレータは、低消費電力、低オフセット電圧、高ゲインが特徴です。 AS339/339Aコンパレータは、DIP-14、SOIC-14、TSSOP-14を始めとするさまざまなパッケージでのご用意があります。特徴
- Wide supply voltage range
- Single supply of 2.0V to 36V
- Dual supplies: ±1V to ±18V
- Low supply current drain of 0.9mA
- Low input offset current of ±5nA (typical)
- Low input offset voltage of 2.0mV (typical)
- Input common-mode voltage range includes ground
- Differential input voltage range equals the power supply voltage
- Low output saturation voltage is 200mA at 4mA
- Open collector output
アプリケーション
- Battery charger
- Cordless telephone
- Switching power supply
- DC-DC module
- PC motherboard
- Communication equipment
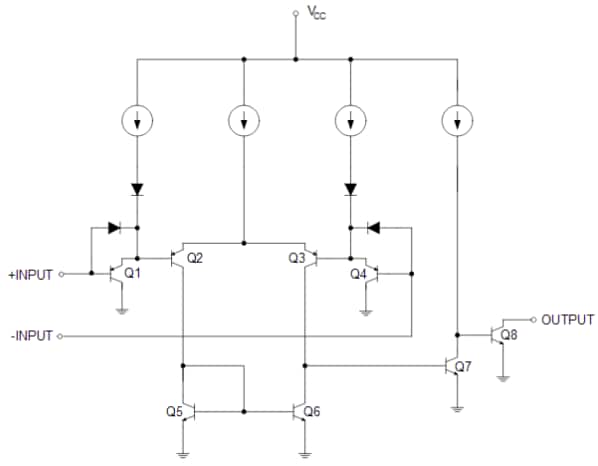
Functional Block Diagram
公開: 2017-05-11
| 更新済み: 2022-03-11
