Diodes Incorporated DGD0227ローサイド・ゲート・ドライバ
Diodes Incorporated DGD0227ローサイド・ゲート・ドライバは、デュアル高速ローサイドMOSFET IGBTドライバです。これらデバイスは、4Aのピーク電流を駆動する能力があり、4.5V~18Vの動作供給電圧範囲が備わっています。Diodes Incorporatedゲート・ドライバ・ロジック入力は、標準的なTTLおよびCMOSレベル(最低3.3Vまで)との互換性があり、MCUとのインターフェイス接続が簡単です。高速で調和した伝播遅延によって高速動作が可能になり、小型関連コンポーネントを使用したさらに小型でコンパクトなスイッチング設計が実現します。DGD0227ゲート・ドライバは、SO-8 (タイプTH)パッケージで販売されており、-40℃~+ 125℃の温度範囲で動作します。特徴
- MOSFETおよびIGBTの駆動を目的とした効率的な低コスト・ソリューション
- 動作供給電圧範囲: 4.5V~18V
- シンク出力電流機能: 4.0Aソース/4.0A
- 高速伝搬遅延: 35ns(typ)
- 高速上昇・下降時間: 20ns(typ)
- 3.3Vロジック入力 (IN) 機能
- 温度範囲: -40°C~125°C
- 無鉛でRoHSに完全準拠
- ハロゲンフリー、アンチモンフリー
仕様
- SO-8 (Type TH) パッケージ
- 成形プラスチック、グリーン成形化合物材質
- UL難燃性等級94V-0
- 水分感度別レベル3に準じたJ-STD-020
- 端子:
- マット錫メッキ仕上げ
- MIL-STD-202に準じたはんだ付け
- Method 208
- 重量0.075g(概算)
アプリケーション
- DC/DCコンバータ
- ライン・ドライバ
- モータ制御
- スイッチモード電源
DGD0227の一般的な設定
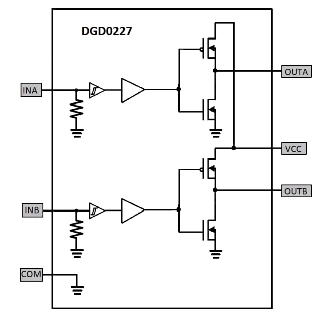
DGD0227の機能ブロック図
その他の資料
公開: 2019-01-15
| 更新済み: 2023-07-12
