Diodes Incorporated PCI Express (PCIe) クロック・バッファ
Diodes Inc. / Pericom PCI Express(PCIe)クロック・バッファは、低消費電力4、6、8出力PCIeバッファで、オンチップ終端が備わっています。これらのPCIeバッファには、オンチップ終端が搭載されており、外部終端レジスタがもはや不要です。PCIeクロック・バッファは、SMBus経由で50MHzまたは125MHzイーサネット・アプリケーションをサポートしています。これらのクロック・バッファによって、ストラッピング・ピンまたはSMBUSを介した異なるスルーレートおよび振幅のような、さまざまなオプションを実現しています。これによってユーザは、各ボードの性能を個別に最適化できるようにデバイスを簡単に構成できます。また、これらのバッファには、異なる数の出力からゼロ遅延が必要なものまで、クロック・バッファの品揃えが豊富です。特徴
- 供給電圧: 3.6V最高
- 高速電流ステアリング・ロジック(HCS)L入力: 100MHz、SMBus経由で50MHzまたは125MHzもサポート
- オンチップ終端が備わった4つ、6つ、8つの差動低消費電力HCSL出力
- 個々の出力イネーブル
- プログラマブル・スルーレートと各出力の出力振幅
- PLLがロックされるまでブロックされる差動出力
- 設定用のストラッピング・ピンまたはSMBus
- 3.3Vを許容するSMBusインターフェイスのサポート
- 極めて低いジッタ出力
- 50ps未満の異なるサイクル間ジッタ
- 20ps未満の異なる出力間スキュー
- PCIe Gen1/Gen2/Gen3/Gen4に準拠
- パッケージ(無鉛およびグリーン):
- 32ピン5mm x 5mm TQFN
- 16ピンTQFN
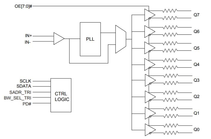
8出力PCIeクロック・バッファのブロック図
View Results ( 4 ) Page
| 部品番号 | データシート | 説明 | 出力数 | 伝搬遅延 - 最大 | 最高出力周波数 |
|---|---|---|---|---|---|
| PI6CB18401ZHIEX | ![]() |
クロックバッファ クロックバッファ W-QFN5050-32 T&R 2.5K | 4 Output | 4.5 ns | 100 MHz |
| PI6C5946004ZHIEX | ![]() |
クロックバッファ 6GHz/12Gbps Clock Data Fanout Buffer | 4 Output | 400 ps | 6 GHz |
| PI6CB18601ZLAIEX | ![]() |
クロックバッファ クロックバッファ W-QFN5050-40 T&R 3.5K | 6 Output | 4.5 ns | 100 MHz |
| PI6CB18801ZLIEX | ![]() |
クロックバッファ クロックバッファ V-QFN6060-48 T&R 3K | 8 Output | 4.5 ns | 100 MHz |
公開: 2018-08-31
| 更新済み: 2022-09-30

