Diodes Incorporated PI3A6386 USBスイッチ
Diodes Incorporated PI3A6386 USBスイッチは、デュアル単極双投(SPDT)スイッチで、高速USB信号と高品質オーディオ信号を対象としています。このスイッチは、データモードでのUSB信号およびオーディオ・アクセサリ・モードでのアナログ信号のUSB Type-C D+/D-スイッチングに使用できます。PI3A6386スイッチは、クロストークを最小限に抑えるマイクとオーディオの低歪み、高クロストーク除去、自立マイク・スイッチング、個別接地スイッチ、サイドバンドスイッチが特徴です。一般的なアプリケーションには、ノートPC、PC、携帯電話、PDA、MP3プレーヤ、ポータブル計器があります。特徴
- 高帯域幅(1GHz)と低オン抵抗(5Ω)USBスイッチ
- 1Ω低オン抵抗オーディオ・スイッチ
- USB高速(480Mbps)およびUSB 2.0に準じた全速度(12Mbps)信号発生能力
- USB Type-Cケーブルとコネクタ仕様1.1に準じたUSB Type-Cオーディオ・アクセサリモードに対応
- 低歪み(THD: -110dB 20Hz~20kHz、2.0VRMS、32Ω負荷)
- 負の信号±3V処理能力
- DC結合オーディオ信号のクリック/ポップ・サウンドを排除するプログラマブル・ソフトスタートとソフトストップ時間
- -85dB @ 30kHzの高オフ絶縁
- -85dB @ 30kHzの高クロストーク除去
- 自律型マイクと接地線スイッチング
- クロストークを最小限に抑えるマイクとオーディオのための別々の接地スイッチ
- サイドバンド・スイッチ
- I2C制御
- 1.7V~5.5Vという広いVDD範囲
- HBMモード用4Kvの1kVの、CDMモード用1kV
- 拡張工業温度範囲: -40°C~85°C
- 完全無鉛でRoHSに完全準拠
- ハロゲンとアンチモンフリー
- TQFN-24パッケージ(3mm x 3mm)
アプリケーション
- ノートパソコン
- PC
- 携帯電話
- PDA
- MP3プレイヤー
- ポータブル計測機器
アプリケーション概要
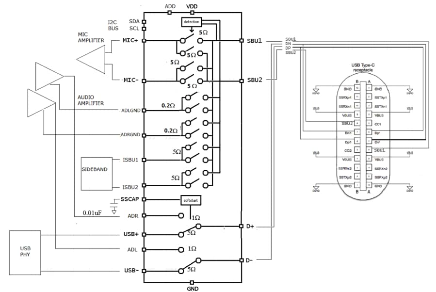
ブロック図
標準アプリケーション回路
公開: 2019-01-14
| 更新済み: 2023-07-11
