Diodes Incorporated ZXBM5408Qブラシ付きDCモータドライバ(サーボ制御搭載)
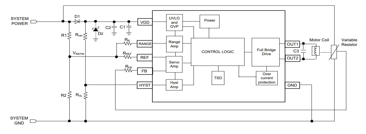
Diodes Incorporated ZXBM5408Qブラシ付きDCモータドライバ(サーボ制御搭載)は、車載用マニュアルヘッドライトビーム制御およびDCブラシ付きモータ負荷が備わった産業用サーボ制御アプリケーションを対象に設計された、保護されたHブリッジドライバです。統合ZXBM5408Q出力段は、高電流、低RDS(on) HブリッジMOSFETで構成されており、効率を最大化できます。このドライバには、電圧および温度補償された内部リファレンス、アンプ、出力Hブリッジ電源スイッチが統合されており、低RDS(on)が備わっています。この統合によって回路設計が簡素化され、外付け部品が最小限に抑えられます。ZXBM5408Qドライバには、外部レジスタによって簡単にプログラミングできるサーボ制御順方向と逆方向、ヒステリシス、デッドバンド、角度増幅による柔軟性があります。Diodes Inc ZXBM5408Qブラシ付きDCモータドライバは、モーターの停止と出力段の切断によって、GNDへの入力ショート、供給電圧の短絡、ワイヤの破損といったモータコイルの保護に役立つ故障状態保護を実現しています。
低電圧と過電圧を供給した場合、ZXBM5408Qは出力ドライブをシャットダウンし、コイルの過電圧ストレスを防止します。過電流保護は、出力電流を監視し、機器のバーンアウトからコイルを保護するための定期的な再試行によって出力段を閉じます。さらに、過熱シャットダウンによって、ドライバの熱保護が可能になります。
ZXBM5408Qは、業界標準PDIP-8(Type A1)およびSO-14(Type A1)パッケージに格納されています。このドライバは、AEC-Q100 Grade 1の認定を受けており、車載用に準拠しており、PPAPをサポートしています。
特徴
- Servo DCモータードライブ
- 8V~18V 広い動作電圧範囲
- RDSON抵抗が低い内蔵Hブリッジ
- 0.8A(ピーク電流1.5A)の出力駆動電流能力
- 障害保護—GND、電源、またはワイヤの破損に対するショート範囲
- 過電圧および低電圧シャットダウン
- 過電流保護
- 熱保護
- PDIP-8(Type A1)およびSO-14(Type A1)パッケージに収められたグリーン成形
- 完全にリードフリー、RoHSに完全準拠
- ハロゲン・アンチモンフリーの「グリーン」デバイス
アプリケーション
- 車載ヘッドライト位置サーボモータ
- 8V/12V/18VサーボDCモータ
代表的なアプリケーション
ブロック図
ピン割当
公開: 2022-10-10
| 更新済み: 2022-11-02
