Diodes Incorporated PI3B3257マルチプレクサ/デマルチプレクサスイッチ
Diodes Incorporated PI3B3257マルチプレクサ/デマルチプレクサスイッチは、3.3Vクワッド2:1 Mux/DeMuxで、スリーステート出力ピン配列と機能が備わっており、PI74FCT257T、74F257、74ALS/AS/LS257との互換性があります。これらのスイッチは、ゼロではない伝搬遅延と5Ωという低ON抵抗が特徴です。PI3B3257 mux/demuxスイッチは、74シリーズ257ロジックデバイスとの互換性があります。これらのスイッチには、120mA DC出力電流と0.5W電力損失が備わっています。PI3B3257 mux/demuxスイッチは、-40°C~85°Cの周囲温度範囲で動作します。これらのスイッチは、接地電位に対して-0.5V~4.6V供給電圧で動作します。PI3B3257 mux/demuxスイッチは、デスクトップPC、産業用PC、医療機器、モニタ、STB、タブレットPC、TVでの使用に最適です。特徴
- ゼロに近い伝搬遅延
- 高速スイッチング速度
- 超低消費電力
- PI74FCT257T、74F257、74ALS/AS/LS257との互換性あり
- 74シリーズ257ロジックデバイスとの互換性あり
- パッケージング:
- 16ピン、QSOP (Q)
- 16ピン、SOIC (W)
- 16ピン、TSSOP (L)
- 16ピン、UQFN (ZHD)
仕様
- 4.8ns最速スイッチングスピード
- 0.1μA低自己消費電源
- 5Ωオン抵抗
- 周囲動作温度範囲: -40°C~85°C
- ストレージ温度範囲: -65°C~+150°C
- DC出力電流: 120mA
- 0.5W電力損失
- 供給電圧範囲: -0.5V~4.6V
アプリケーション
- デスクトップPC
- 産業用PC
- 医療用機器
- モニタ
- セットトップボックス(STB)
- タブレットPC
- TV
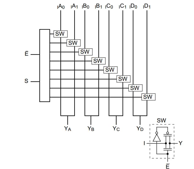
PI3B3257の機能ブロック図
16ピンUQFN構成
16ピンQSOP、16ピンSOIC、16ピンTSSOP構成
技術メモ
公開: 2019-09-13
| 更新済み: 2023-07-27
