Diodes Incorporated PI4IOE5V9554 8ビットIOエキスパンダ
Diodes Incorporated のPI4IOE5V9554 8ビットIOエキスパンダは、16ピンのCMOSデバイスで、8ビットの汎用並列入力/出力(GPIO)拡張を提供します。このエキスパンダには、8ビット構成レジスタ(入力または出力選択)および8ビット入力ポートレジスタが組み込まれています。PI4IOE5V9554エキスパンダには、8ビット出力ポートレジスタおよび8ビット極性反転レジスタ(アクティブ高またはアクティブ低動作)も搭載されています。このエキスパンダは、高い駆動能力、5V I/O 公差、低い電源電流、個別のI/O設定、400kHzのクロック周波数、およびコンパクトなパッケージングを特長としています。PI4IOE5V9554エキスパンダは、SCL/SDA入力にノイズフィルタを備え、電源投入時のグリッチがなく、内部パワーオンリセット機能を搭載しています。 このエキスパンダは、ACPI電源スイッチ、センサ、押しボタン、LED、ファンなどのアプリケーションに追加のI/Oを簡単に提供します。特徴
- 割り込みおよびリセット機能を備えた8ビットI2C バスGPIO
- 5V対応のI/O
- 極性反転レジスタ
- アクティブLOWが電流を遮断
- 低消費電流
- 0Hz~400KHz周波数範囲
- SCL/SDA入力のノイズフィルタ
- パワーオンリセット
- ESD保護(4KV HBMおよび1KV CDM)
- パッケージ
- SOIC-16
- TSSOP-16
- TQFN 3 x 3 - 16
- TQFN 4 x 4 - 16
アプリケーション
- サーバ
- ネットワーク
- 電気通信
- ラップトップ
- TV
ブロック図
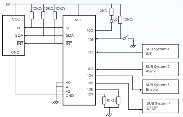
標準アプリケーションの回路図
その他の資料
公開: 2020-05-15
| 更新済み: 2024-07-31
