特徴
- 高い信頼性のためのガラス不動態化ダイ構造
- 順方向電圧降下
- ソフト、超高速スイッチング機能
- 無鉛仕上げでRoHS準拠
- デバイスの下側にある大きな露出ヒートシンクによって、高電力散逸に対応する良好なヒートシンクを実現
- ハロゲンとアンチモンフリーのグリーン・デバイス
仕様
- PowerDI5パッケージ
- グリーンモールド材を使用した成形プラスチックパッケージ材料で、難燃性評価はUL 94V-0です。
- J-STD-020による湿度感度レベル(MSL)1
- 端子は銅製リードフレーム上にアニール処理されたマット錫仕上げで、MIL-STD-202、方式208に準拠したはんだ付けが可能
- 重量:約0.096グラム
回路図
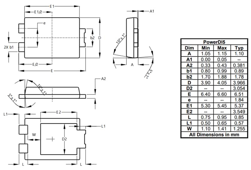
パッケージ外形図
公開: 2025-09-23
| 更新済み: 2025-10-13

