Diodes Incorporated PI6CB332202/PI6CB332204 2入力クロックMUX
ダイオーズ(Diodes Inc.)PI6CB332202/PI6CB332204 2入力クロックMuxは、低消費電力デバイスで、PCIe 5.0/6.0アプリケーションを対象としています。 85Ω、または100Ωの出力インピーダンスのオンチップ終端で、2/4個の低電力差動HCSL出力を400MHzまでファンアウトするために2個の基準入力が必要です。個々のOEピンは各出力に提供されており、さらに簡単なパワーマネジメントが促進されます。Diodes Inc. PI6CB332202/PI6CB332204は、パワーダウン許容(PDT)、入力クロック損失時の自動出力クロックロッキング、柔軟性に富んだ起動シーケンシング機能もサポートしています。特徴
- オンチップ終端をサポートしている2x/4x低消費電力のHCSL出力がある2入力マルチプレクサ
- 85Ωまたは100Ωピン選択可能な出力インピーダンス
- 拡散スペクトラム耐性
- 個々の出力イネーブル
- パワーダウン許容差入力
- 柔軟性に富んだ電源起動シーケンシング
- 入力クロック損失時の自動出力クロックロッキング
- 付加位相ジッタ
- PCIe 5.0 – 6fs RMS(標準)
- PCIe 6.0 -4fs RMS(標準)
- DB2000QL -10fs RMS(標準)
- 電源電圧3.3V
- パッケージ
- 28ピン、4mm x 4mm、VQFN (ZLF) (4x出力) (PI6CB332204)
- 20ピン、3mm x 3mm、WQFN (ZNA) (2x出力) (PI6CB332202)
- 無鉛、RoHS準拠
- ハロゲンとアンチモンフリーのグリーン・デバイス
- 特定の変更制御を必要とする車載アプリケーション向け(例: IATF 16949認定施設で製造されるPPAP対応のAEC-Q100/101/104/200認定部品)
アプリケーション
- データセンターやサーバー
- ストレージシステム
- ネットワーク用機器
- 車載用電子機器
リソース
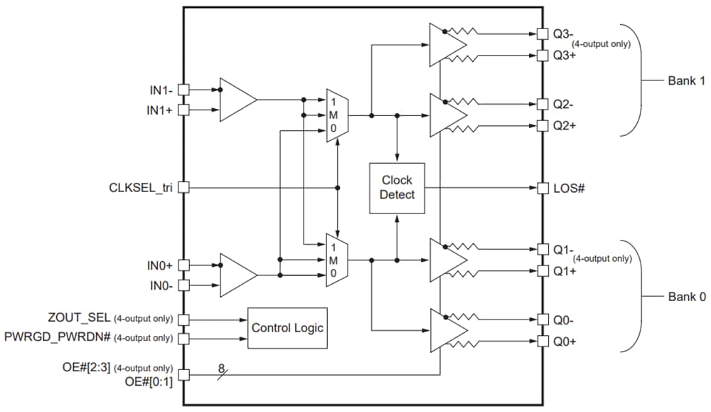
ブロック図
公開: 2025-10-07
| 更新済み: 2025-11-13
