Diotec Semiconductor 2SC2983 NPN Power Bipolar Junction Transistor
Diotec Semiconductor 2SC2983 NPN Power Bipolar Junction Transistor features up to 15W power dissipation and 160V nominal collector-emitter voltage. This transistor also features high power dissipation, an industry-standard case outline, and amplification and switching. The 2SC2983 bipolar junction transistor operates at 1.5A collector current (IC), -55ºC to 150ºC temperature range, and 160V collector-emitter voltage (VCEO). This transistor is ideally used as the boost stage for linear voltage regulators, constant current regulators, LED drivers, and output regulation of SMPS.Features
- High power 15W at 25°C total power dissipation (Ptot)
- Industry-standard case outline
- Used for amplification and switching
- TO-252AA/D-PAK case outline
Specifications
- 1.5A nominal collector current (IC)
- 160V nominal collector-emitter voltage (VCEO)
- 5V emitter-base voltage (VEBO)
- -55ºC to 150ºC operating temperature range
Applications
- Boost stage for linear voltage regulators
- Constant current regulators
- LED drivers
- Output regulation of SMPS
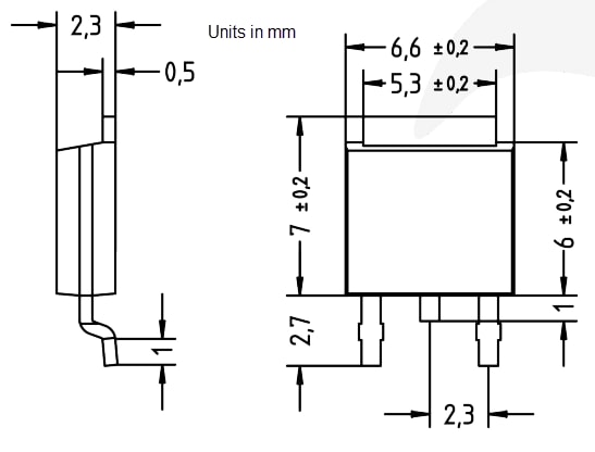
Dimension Diagram
Videos
公開: 2023-06-15
| 更新済み: 2023-07-19
