ECS ECS-100x Clock Oscillators
ECS ECS-100x Clock Oscillators are fully compatible with TTL circuitry. These oscillators come in a metal shielding package with pin 7 case ground that acts as shielding to minimize radiation. The ECS-100x oscillators operate at 3.3V optional supply voltage with a wide frequency range. These oscillators operate at a wide frequency range of 1MHz to 150MHz and come in a industry-standard footprint.Features
- 10 TTL output load
- Low cost
- Wide frequency range of 1MHz to 150MHz
- 0°C to 70°C operating temperature range
- Industry-standard footprint
- Resistance weld package
- 3.3V operation (optional)
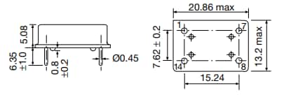
Package Dimensions (mm)
公開: 2021-06-23
| 更新済み: 2022-03-11
